QR Code
Tungkol sa amin
Mga produkto
Makipag-ugnayan sa amin

Telepono

Fax
+86-574-87168065

E-mail

Address
Luotuo Industrial Area, Zhenhai District, Ningbo City, China
Ang SWC-WF ng Raydafon nang walang Flex Flange Type Universal Coupling ay ginawa lamang para sa paghahatid ng high-torque sa mabibigat na makinarya-isipin ang mga kagamitan sa metalurgy, cranes, mga sistema ng pagmimina, lahat ng mga mahihirap na pag-setup na nangangailangan ng matatag na kapangyarihan. Mayroon itong isang hindi nababaluktot na disenyo ng flange, ang mga diametro ng gyration mula sa 160mm hanggang 640mm, at ang ganitong uri ng flange unibersal na pagsasama ay humahawak ng malaking angular misalignment kasama ang patuloy na pag-ikot ng bilis ng walang problema, kahit na nagtatrabaho sa sobrang hinihingi na mga kondisyon. Gumagamit kami ng mataas na lakas na 35CRMO na bakal upang mabuo ito, kaya't tumayo ito sa matinding naglo-load-eksaktong kung bakit ito ay isang nangungunang pagpili para sa mga unibersal na pagkabit para sa mabibigat na makinarya at hindi flex universal couplings para sa mga pang-industriya na aplikasyon. Tinitiyak ng paggawa ng katumpakan ni Raydafon na naghahatid ito ng matatag na pagganap sa bawat oras, lalo na para sa mga industriya na hindi makompromiso sa pare -pareho ang paghahatid ng metalikang kuwintas.
Ang SWC-WF universal pagkabit na ito ay binuo hanggang sa huli, na may isang mahigpit na koneksyon ng flange na ginagawang madali ang pag-install sa mga system tulad ng mga pagmamaneho ng paggawa ng barko at mga gumulong na mills-mga lugar kung saan ang paggalaw ng ehe ay hindi marami. Sinusunod namin ang mga pamantayan ng ISO 9001 na mahigpit, at ang aming pabrika na nakabase sa China ay gumagamit ng advanced na machining kasama ang masikip na kalidad ng mga tseke upang gawin itong matibay na flange universal pagkabit. Dumating ito sa mga napapasadyang sukat, na may mga rating ng metalikang kuwintas hanggang sa 1250 kN · m, kaya umaangkop ito sa pasadyang unibersal na mga pagkabit para sa mga kagamitan sa metalurhiya at iba pang mga pag-setup ng mabibigat na tungkulin. Nag -aalok din si Raydafon ng mga pinasadyang solusyon sa mga mapagkumpitensyang presyo, na tumutulong sa pagbawas sa downtime at mapalakas ang pagiging maaasahan ng iyong kagamitan.
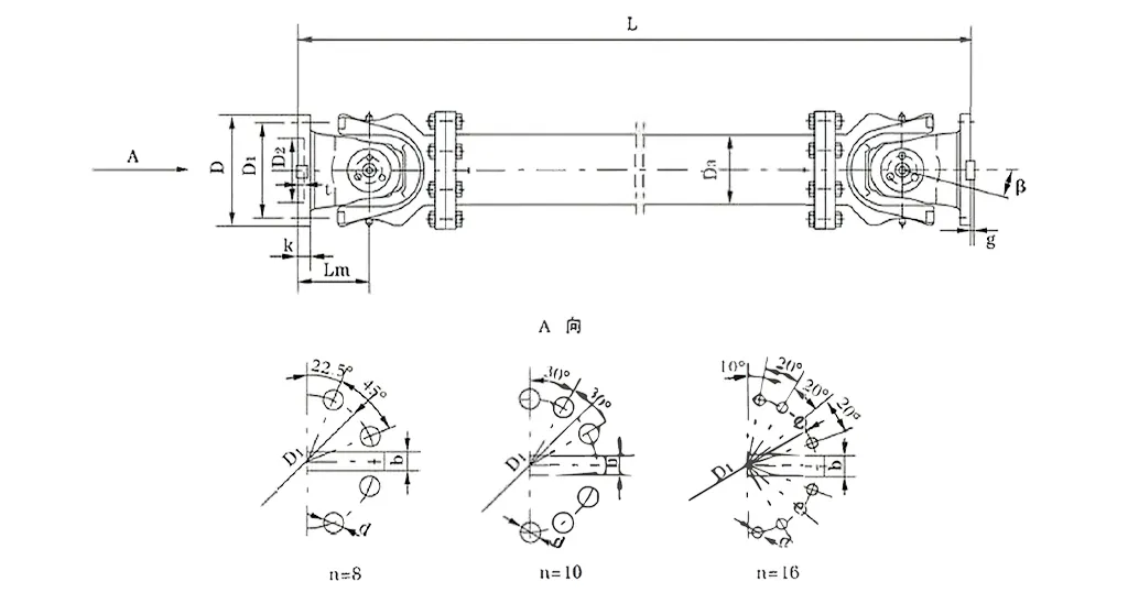
| Hindi. | Diameter ng Gyration d mm | Nominal na metalikang kuwintas Tn Kn · m | Axes Anggulo ng Fold β (°) | Pagod na metalikang kuwintas Tf Kn · m | Laki (mm) | Umiikot na pagkawalang -galaw kg.m2 | Timbang (kg) | |||||||||||
| Lmin | D1 (JS11) | D2 (H7) | D3 | Lm | n-d | k | t | b (H9) | g | Lmin | Dagdagan 100mm | Lmin | Dagdagan 100mm | |||||
| SWC285WF | 285 | 90 | 45 | ≤15 | 810 | 245 | 170 | 194 | 160 | 8-21 | 27 | 7 | 40 | 15 | 2.664 | 0.051 | 220 | 6.3 |
| SWC315WF | 315 | 125 | 63 | 915 | 280 | 185 | 219 | 180 | 10-23 | 32 | 8 | 40 | 15 | 4.469 | 0.0795 | 300 | 8.0 | |
| SWC350WF | 350 | 180 | 90 | 980 | 310 | 210 | 267 | 194 | 10-23 | 35 | 8 | 50 | 16 | 7.388 | 0.2219 | 412 | 15.0 | |
| SWC390WF | 390 | 250 | 125 | 1100 | 345 | 235 | 267 | 215 | 10-25 | 40 | 8 | 70 | 18 | 13.184 | 0.2219 | 588 | 15.0 | |
| SWC440WF | 440 | 355 | 180 | 1290 | 390 | 255 | 325 | 260 | 16-28 | 42 | 10 | 80 | 20 | 23.250 | 0.4744 | 880 | 21.7 | |
| SWC490WF | 490 | 500 | 250 | 1360 | 435 | 275 | 325 | 270 | 16-31 | 47 | 12 | 90 | 22.5 | 40.750 | 0.4744 | 1173 | 21.7 | |
| SWC550WF | 550 | 710 | 355 | 1510 | 492 | 320 | 426 | 305 | 16-31 | 50 | 12 | 100 | 22.5 | 68.480 | 1.3570 | 1663 | 34.0 | |
| SWC620WF | 620 | 1000 | 500 | 1690 | 555 | 380 | 426 | 340 | 10-38 | 55 | 12 | 100 | 25 | 127.530 | 1.3570 | 2332 | 34.0 | |
* 1. TF-Under Ang alternation load ang metalikang kuwintas na pinapayagan ayon sa lakas ng pagkapagod.
* 2. L-Install Haba, na ayon sa kinakailangan.
Ang SWC-WF ni Raydafon nang walang Flex Flange Type Universal Joint Coupling-ay tinatawag ding SWC Cardan shaft universal joint coupling-ay nakikipagtulungan sa isang pangunahing ideya ng mekanikal: nakakakuha ito ng metalikang kuwintas mula sa dalawang di-collinear shafts kung saan kailangan itong pumunta, at ito ay humahawak din sa maling pag-aalsa. Ang high-torque universal joint coupling na ito ay gumagamit ng isang pag-setup ng cross-bearing upang mai-link ang mga flanges sa magkabilang dulo, kaya kahit na ang mga shaft ay na-offset ng hanggang sa 25 degree o may mga paglihis ng axial/radial, gumagalaw pa rin ito ng rotational power nang maayos.
Ang puso kung paano ito gumagana ay ang unibersal na magkasanib na disenyo - mayroong isang cross shaft na kumikilos tulad ng isang pivot, na pinapayagan ang bawat flange na lumipat sa sarili nito. Sa ganoong paraan, ang metalikang kuwintas ay mula sa pagmamaneho ng baras hanggang sa hinimok na baras nang mahusay, at bumubuo ito para sa mga anggular na misalignment nang hindi naglalagay ng labis na pagkapagod sa mga bahagi na konektado. Kung kailangan mo ng isang maaasahang mabibigat na duty na unibersal na magkasanib na pagsasama para sa mga operasyon ng pag-ikot ng mill, ang mahigpit na, hindi nababaluktot na istraktura ng flange ay nagpapanatili ng mga bagay na matatag, na perpekto para sa mga koneksyon sa maikling distansya sa mga compact na mabibigat na pag-setup ng makinarya.
Ang pinalalabas nito ay ang pag -andar nito ay wala itong nababaluktot na mga bahagi o mga tampok ng pagpapalawak - ito ay nagtatakda nito bukod sa iba pang mga uri at ginagawang mahusay para sa mga lugar kung saan minimal ang paggalaw ng ehe. Ang matibay na SWC Universal Joint Shaft Coupling na ginagamit namin sa pag -angat at kagamitan sa paghawak ng materyal ay nakasalalay sa prinsipyong ito upang manatiling balanse kahit sa ilalim ng malalaking naglo -load; Tumama ito sa mga kahusayan sa paghahatid hanggang sa 98.6% at hindi nag -aaksaya ng maraming enerhiya. Ang pang-industriya na unibersal na magkasanib na pagkabit na ito ay nagbabawas din sa mga panginginig ng boses salamat sa tumpak na paggalaw ng pagdadala, kaya't maayos itong tumatakbo kahit na sa mga sitwasyon na may mataas na stress-tulad ng mabibigat na makinarya na unibersal na magkasanib na mga sistema ng pagkabit na makikita mo sa mga mahihirap na pang-industriya na trabaho.
Dagdag pa, ang SWC Heavy-Duty Universal Coupling ng Raydafon ay may mga welded flanges upang gawin itong matatag-hindi mas nababahala tungkol sa mga bolts na maluwag, at pinalalaki nito ang pangkalahatang lakas ng 30% hanggang 50%. Bilang isang mahusay na unibersal na magkasanib na pagkabit para sa malaking paghahatid ng kuryente, pinangangasiwaan nito ang mga nominal na torque mula sa 0.15 hanggang 1000 kN · m at may mga diametro ng gyration mula sa φ58 hanggang φ620-paggawa ng isang nangungunang pagpili para sa pag-save ng enerhiya ng unibersal na magkasanib na mga solusyon sa pagsasama sa hinihingi na mga paghahatid ng pang-industriya. At sa ingay na itinago sa pagitan ng 30-40 dB (a), ang mababang-ingay na unibersal na magkasanib na pagsasama ay tumatakbo nang tahimik, na mainam para sa mga pang-industriya na lugar kung saan ang ingay ay isang pag-aalala, habang pinapanatili ang mataas na pamantayan sa pagiging maaasahan.
Ang Raydafon's SWC Universal Joint Coupling - madalas na tinawag na SWC Cardan Shaft Universal Joint Coupling - ay hindi lamang isang regular na bahagi; Ito ay dapat na magkaroon para sa mga mabibigat na pag-setup ng pang-industriya, tulad ng mga rolling mills, hoisting makinarya, at lahat ng uri ng matigas na mabibigat na sistema ng makinarya. Bilang isang high-torque universal joint coupling, ginagawa nito ang isang matatag na trabaho na nag-uugnay sa dalawang mga shaft ng paghahatid na hindi maayos na pumila, siguraduhin na ang lakas ay patuloy na dumadaloy kahit na magaspang ang mga kondisyon sa pagtatrabaho.
Pag -usapan natin ang tungkol sa mga pangunahing specs nito: Ang diameter ng gyration ay mula sa φ58 hanggang φ620, ang nominal na metalikang kuwintas ay mula sa 0.15 hanggang 1000 kN · m, at ang anggulo ng axis fold ay hindi hihigit sa 25 °.
Ang produktong ito ay talagang nagniningning sa mga tiyak na mga sitwasyon-tulad ng kapag kailangan mo ng isang maaasahang mabibigat na unibersal na magkasanib na pagsasama para sa mga operasyon ng pag-ikot ng mill, o isang matibay na unibersal na magkasanib na magkasanib na shaft na pagsasama sa mga kagamitan sa paghawak at materyal na paghawak. Sa mga kasong ito, pinapatunayan nito ang halaga sa pamamagitan ng pagpapanatiling matatag ang mga operasyon, kahit na ito ay nakikipag -usap sa mabibigat na naglo -load.
Ang SWC Universal Joint Coupling ng Raydafon ay hindi lamang itinayo para sa pag-andar-inhinyero ito ng matalinong disenyo na gaganapin sa pang-industriya na paggamit at patuloy na gumaganap nang maayos. Hatiin natin kung ano ang nakakagawa ng istraktura nito.
Una, mayroon itong isang makatwirang at ligtas na pagsasaayos: ginamit namin ang isang integrated na disenyo ng ulo ng tinidor para sa pang -industriya na unibersal na magkasanib na pagsasama, na pinuputol ang mga panganib tulad ng mga bolts na maluwag o masira. Ang nag-iisa lamang ay pinalalaki ang integridad ng istruktura nito sa pamamagitan ng 30%-50%, kaya ligtas itong gumagana at maaasahan. Kung ikukumpara sa mga regular na pagkabit, tumatagal ito nang mas mahaba at iniiwasan ang mga karaniwang breakdown sa mga high-stress spot-tulad ng mabibigat na makinarya na unibersal na magkasanib na mga sistema ng pagkabit na nakikita mo sa mga mahihirap na trabaho.
Pagkatapos ay mayroong pinahusay na kapasidad ng pag-load: ang SWC na mabibigat na unibersal na magkasanib na pagsasama ay ginawa upang mahawakan ang mga malalaking timbang, kaya dapat itong magkaroon sa mga lugar na nangangailangan ng pamamahala ng pag-load ng top-notch, tulad ng pagmimina o makinarya ng konstruksyon.
Naghahatid din ito ng mataas na kahusayan sa paghahatid - na umaabot hanggang sa 98.6%. Bilang isang mahusay na unibersal na magkasanib na pagkabit para sa malaking paghahatid ng kuryente, pinuputol nito ang paggamit ng enerhiya at ang mga gastos na kasama nito. Iyon ang dahilan kung bakit ito ang nangungunang pagpipilian para sa pag-save ng enerhiya ng unibersal na magkasanib na mga solusyon sa pagsasama sa mga pag-setup ng high-power na paghahatid ng pang-industriya.
At tumatakbo itong makinis na may mababang ingay: pinapanatili nito ang paghahatid na matatag, at ang ingay ay karaniwang nananatili sa pagitan ng 30-40 dB (A). Ang mababang-ingay na unibersal na magkasanib na pagsasama ay tinitiyak na ang mga operasyon ay manatiling tahimik, na perpekto para sa mga lugar kung saan ang ingay ay isang problema-lahat habang pinapanatili ang pagiging maaasahan sa isang mataas na antas.
⭐⭐⭐⭐⭐ Chen Liang, engineer ng produksyon, Zhejiang Makinarya Co, Ltd.
Inilalagay namin ang SWC-WF ni Raydafon nang walang Flex Flange Type Universal Coupling sa isa sa aming mga linya ng produksyon, at mahusay na gumagana ito. Ang simple ngunit matigas ang istraktura - sa pag -install nito ay isang simoy, walang kumplikadong mga hakbang. Kapag naka -set up ito, tumatakbo itong maayos, hindi na kailangan ng labis na pag -tweak. Kahit na ang pag -load ay mabigat, ang pagkabit na ito ay mananatiling maaasahan, na nangangahulugang maaari nating mapanatili ang mga makina na tumatakbo nang mahabang oras nang hindi masyadong nababahala - tiyak na nagbibigay sa atin ng higit na kapayapaan ng pag -iisip.
⭐⭐⭐⭐⭐ Sun Mei, pagbili ng superbisor, Hebei Steel Co, Ltd.
Bumili ang aming kumpanya ng maraming SWC-WF nang walang flex flange type universal couplings mula sa Raydafon, at una, ang paghahatid ay tama sa oras, at ang packaging ay maingat din-walang pinsala. Ang talagang nakatayo para sa akin ay kung ano ang sinabi ng koponan ng pagawaan: sinabi nila sa akin na ang mga pagkabit ay madaling mai -install, at kapag ginagamit ang mga ito, pakiramdam nila ay talagang matatag. Dagdag pa, kung ihahambing sa iba pang mga supplier, ang presyo dito ay patas. Lahat sa lahat, masaya kami sa pagbili na ito.
⭐⭐⭐⭐⭐ Guo Jun, Maintenance Manager, Liaoning Heavy Industry Group
Ang aking trabaho ay upang panatilihin ang aming mga makina na tumatakbo, at sinubukan kong putulin ang downtime hangga't maaari. Dahil sinimulan namin ang paggamit ng SWC-WF ng Raydafon nang walang Flex Flange Type Universal Coupling, napansin ko ang isang malaking pagkakaiba-hindi gaanong suot sa bahagi, at mas kaunting mga problema sa panahon ng operasyon. Mahirap ang disenyo, at hindi ito nangangailangan ng maraming pagpapanatili. Ito ay nakakatipid sa amin ng parehong oras at pera, at ito ay naging isang sobrang maaasahang bahagi para sa aming kagamitan.
Si Raydafon ay isang pangunahing subsidiary ng Ever-Power Group Co, Ltd.-hindi lamang kami isang tagapagtustos, ngunit isang go-to provider para sa mga nangungunang kalidad na mga sangkap ng paghahatid at pang-industriya na solusyon, at naglalagay kami ng maraming pokus sa mga makabagong produkto tulad ng SWC Cardan Shaft Universal Joint Coupling. Mula nang magsimula kami, lahat tayo ay tungkol sa pagsulong ng teknolohiya at paglaki sa mga pandaigdigang merkado; Hindi kami tumigil sa pagbebenta ng mga solong sangkap-ngayon ngayon ay nakagawa kami ng mga solusyon sa full-system na umaangkop sa agrikultura at mabibigat na pang-industriya na pangangailangan. Ang aming kaalaman sa mga drive shafts at mga produkto ng paghahatid ay nangangahulugang ang mga kliyente na nangangailangan ng maaasahang mabibigat na unibersal na magkasanib na pagsasama para sa mga operasyon ng pag-ikot ng mill (at iba pang mahihirap na trabaho) ay maaaring umasa sa amin bilang isang solidong kasosyo.
Sa Raydafon, gumawa kami ng isang malawak na hanay ng mga produkto: mga gearbox, drive shafts, hydraulic cylinders, pulley, at kahit na mga advanced na tool ng makina tulad ng CNC lathes at milling machine. Ang aming high-torque universal joint coupling solution-gawin ang serye ng SWC, halimbawa-ay binuo upang hawakan ang mahigpit na hinihingi ng mga industriya na nangangailangan ng matibay na unibersal na magkasanib na shaft na pagsasama sa pag-angat at kagamitan sa paghawak ng materyal. Mayroon din kaming mga advanced na pasilidad: mga workshop ng CNC, paggiling at mga makina ng paggamot sa init, mga tool sa pagsukat ng 3D-lahat ay dumikit sa mga pamantayan ng ISO9001/TS16949, kaya ang bawat pang-industriya na unibersal na magkasanib na pagsasama na ginagawa namin ay pinakamataas na kalidad at tumpak.
Nagbebenta kami ng 80% ng aming mga produkto sa ibang bansa, sa mga merkado tulad ng US, Germany, Japan, Italy, Malaysia, Australia, at Gitnang Silangan. At nakakuha kami ng isang malakas na network sa mga lugar tulad ng China, South Korea, UK, Singapore, US, at Spain upang mai -back up iyon. Ang pandaigdigang pag-abot na ito ay nagbibigay-daan sa amin na lumikha ng mga pasadyang mga solusyon, tulad ng SWC Heavy-Duty Universal Joint Coupling-na dinisenyo para sa mabibigat na makinarya ng unibersal na magkasanib na mga sistema ng pagkabit na kailangang hawakan ang mga malalaking naglo-load at magtatagal ng mahabang panahon.
Ang pagbabago at pagpapasaya sa mga customer ay ang aming mga priyoridad. Nag-aalok kami ng pag-save ng enerhiya sa unibersal na magkasanib na mga solusyon sa pagkabit na tumama hanggang sa 98.6% na kahusayan sa paghahatid, pagputol ng mga gastos sa pagpapatakbo para sa mga pag-setup ng mataas na kapangyarihan. Kung kailangan mo ng isang mahusay na unibersal na magkasanib na pagkabit para sa malaking paghahatid ng kuryente o isang mababang-nois na unibersal na magkasanib na pagsasama para sa mga lugar kung saan mahalaga ang ingay, ang aming mga produkto ay may propesyonal na serbisyo pagkatapos ng benta-at nakatuon kami sa paggawa ng tama. Iyon ang dahilan kung bakit ang Raydafon ang pinakamahusay na pumili para sa lahat ng iyong mga pangangailangan sa paghahatid.
Address
Luotuo Industrial Area, Zhenhai District, Ningbo City, China
Tel


+86-574-87168065


Luotuo Industrial Area, Zhenhai District, Ningbo City, China
Copyright © Raydafon Technology Group Co, limitado ang lahat ng mga karapatan na nakalaan.
Links | Sitemap | RSS | XML | Patakaran sa Privacy |
