QR Code
Tungkol sa amin
Mga produkto
Makipag-ugnayan sa amin

Telepono

Fax
+86-574-87168065

E-mail

Address
Luotuo Industrial Area, Zhenhai District, Ningbo City, China
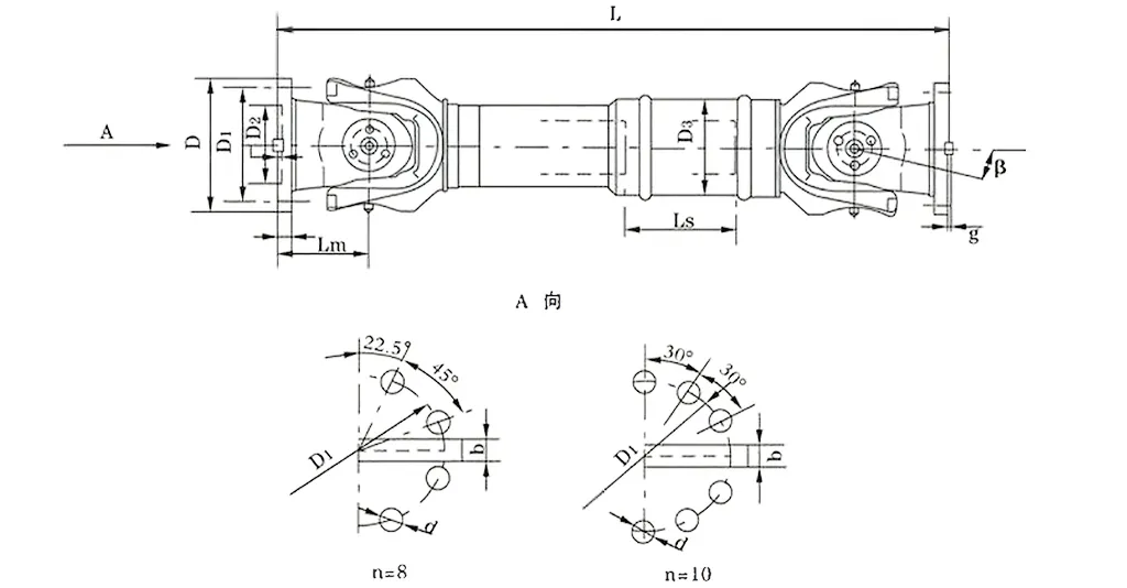
Ang SWC-DH Maikling Flex Welding ng Raydafon Ang Universal Coupling ay itinayo upang ikonekta ang mga maling pag-shaft sa mabibigat na gear-Think Rolling Mills, Hoists, at Steel Processing Machines. Ito ay isang compact short flex universal pagkabit, na may isang gyration diameter na saklaw mula 45mm hanggang 390mm. Kahit na ang mga shaft ay hanggang sa 25 degree (angular misalignment), gumagalaw pa rin ito ng metalikang kuwintas - na -maximo sa 1000 kN · m, na umaangkop sa mga pangangailangan ng kapangyarihan ng mabibigat na kagamitan.
Ginagawa namin ito na may mataas na lakas na 35crmo na bakal at nagdaragdag ng apat na mga bearings ng karayom, kaya humahawak ito sa ilalim ng mabibigat na naglo-load. Iyon ang dahilan kung bakit ito ay isang solidong pagpili para sa pang -industriya na makinarya sa unibersal na mga pagkabit, at mahusay na gumagana bilang mabibigat na kagamitan na hinango unibersal na mga pagkabit sa mga lugar kung saan ang mga naglo -load ay nananatiling mataas na walang tigil. Ang disenyo ng short-flex nito ay perpekto para sa mga makina na may maliit na silid para sa paggalaw ng ehe, ay nagbibigay din ng isang matigas na pag-aayos ng paghahatid para sa mga matigas na pang-industriya na puwang.
Ang tagagawa ng Raydafon na nakabase sa China na may sertipikasyon ng ISO 9001, kaya dumidikit kami sa mahigpit na mga patakaran sa kalidad para sa bawat SWC-DH universal pagkabit. Ang cross shaft ay nakakakuha ng isang plato ng chrome upang labanan ang kaagnasan, kaya tumatagal kahit na ang mga kondisyon ay malupit. Ang welded na pamatok ay ginagawang mas madali ang pag -install - din ang linya ng mga shaft, at ito ay gumagana sa pinakamainam. Malalaman mo ito sa gear sa metalurhiya, pagmimina, at mga sistema ng crane, walang problema.
Dagdag pa, ang pagkabit na ito ay nagmumula sa iba't ibang laki at mga rating ng metalikang kuwintas. Kung kailangan mo ng isang pasadyang unibersal na pagkabit para sa pang -industriya na makinarya - sabihin, para sa mga nag -aani o iba pang tiyak na gear - maaari naming maiangkop ito sa iyong mga pangangailangan, at ang presyo ay mananatiling mapagkumpitensya. Nakuha namin ang kaalaman sa pagmamanupaktura upang gawin itong maikling pagbaluktot na pagbagsak sa mga kagamitan sa downtime, kaya ang iyong mga makina ay tumatakbo nang mas maaasahan sa pangkalahatan.
| Hindi. | Diameter ng Gyration d mm | Nominal na metalikang kuwintas Tn Kn · m | Axes Anggulo ng Fold β (°) | Pagod na metalikang kuwintas tf Kn · m | Dami ng flex Ls mm | Laki (mm) | Umiikot na pagkawalang -galaw kg.m2 | Timbang (kg) | |||||||||||
| Lmin | D1 (JS11) | D2 (H7) | D3 | Lm | n-d | k | t | b (H9) | g | Lmin | Dagdagan 100mm | Lmin | Dagdagan 100mm | ||||||
| SWC180DH1 | 180 | 20 | 10 | ≤25 | 75 | 650 | 155 | 105 | 114 | 110 | 8-17 | 17 | 5 | - | - | 0.165 | 0.0070 | 58 | 2.8 |
| SWC180DH2 | 55 | 600 | 0.162 | 56 | |||||||||||||||
| SWC180DH3 | 40 | 550 | 0.160 | 52 | |||||||||||||||
| SWC225DH1 | 225 | 40 | 20 | ≤15 | 85 | 710 | 196 | 135 | 152 | 120 | 20 | 5 | 32 | 9.0 | 0.415 | 0.0234 | 95 | 4.9 | |
| SWC225DH2 | 70 | 640 | 0.397 | 92 | |||||||||||||||
| SWC250DH1 | 250 | 63 | 31.5 | ≤15 | 100 | 795 | 218 | 150 | 168 | 140 | 8-19 | 25 | 6 | 40 | 12.5 | 0.900 | 0.0277 | 148 | 5.3 |
| SWC250DH2 | 70 | 735 | 0.885 | 136 | |||||||||||||||
| SWC285DH1 | 285 | 90 | 45 | ≤15 | 120 | 950 | 245 | 170 | 194 | 160 | 8-21 | 27 | 7 | 40 | 15.0 | 1.876 | 0.0510 | 229 | 6.3 |
| SWC285DH2 | 80 | 880 | 1.801 | 221 | |||||||||||||||
| SWC315DH1 | 315 | 125 | 63 | ≤15 | 130 | 1070 | 280 | 185 | 219 | 180 | 10-23 | 32 | 8 | 40 | 15.0 | 3.331 | 0.0795 | 346 | 8.0 |
| SWC315DH2 | 90 | 980 | 3.163 | 334 | |||||||||||||||
| SWC350DH1 | 350 | 180 | 90 | ≤15 | 140 | 1170 | 310 | 210 | 267 | 194 | 10-23 | 35 | 8 | 50 | 16.0 | 6.215 | 0..2219 | 508 | 15.0 |
| SWC350DH2 | 90 | 1070 | 5.824 | 485 | |||||||||||||||
| SWC390DH1 | 390 | 250 | 125 | ≤15 | 150 | 1300 | 345 | 235 | 267 | 215 | 10-25 | 40 | 8 | 70 | 18.0 | 11.125 | 0.2219 | 655 | |
| SWC390DH2 | 90 | 1200 | 10.763 | 600 | |||||||||||||||
* 1. TF-Under Ang alternation load ang metalikang kuwintas na pinapayagan ayon sa lakas ng pagkapagod. * 2. Lmin-ang hindi bababa sa haba pagkatapos ng hiwa. * 3. Haba ng l-install, na ayon sa kinakailangan
Ang SWC Universal Joint Coupling, na madalas na tinatawag na SWC Cardan Shaft Universal Joint Coupling, ay isang pangunahing sangkap sa mga senaryo ng mabibigat na pang-industriya. Ito ay kailangang-kailangan para sa mga gumulong mills, hoisting makinarya, at iba't ibang mga malalaking mabibigat na sistema ng makinarya. Bilang isang high-torque universal joint coupling, maaari itong epektibong ikonekta ang dalawang mga shaft ng paghahatid na may mga axes na hindi coincident, tinitiyak ang walang tigil na paghahatid ng kuryente kahit na sa ilalim ng kumplikado at malupit na mga kondisyon sa pagtatrabaho.
Ang mga pangunahing teknikal na mga parameter ng pagkabit na ito ay ang mga sumusunod:
Diameter ng Gyration: φ58 - φ620
Nominal metalikang kuwintas: 0.15 - 1000 kn · m
Anggulo ng Axis Fold: ≤25 °
Sa mga praktikal na aplikasyon, mahusay itong gumaganap. Halimbawa, sa panahon ng pag-ikot ng mga operasyon ng mill, kung ang isang maaasahang mabibigat na duty na unibersal na magkasanib na pagkabit na nakatuon sa mga gumulong mills ay kinakailangan, o sa pag-angat at kagamitan sa paghawak ng materyal, kung kinakailangan ang isang matibay na unibersal na magkasanib na shaft pagkabit, ang produktong ito ay ganap na may kakayahang. Kahit na sa ilalim ng mabibigat na naglo -load, maaari itong mapanatili ang katatagan ng pagpapatakbo ng kagamitan.
Ang SWC Universal Joint Coupling ay idinisenyo gamit ang mga advanced na prinsipyo ng engineering, na naghahatid ng pambihirang pagganap at mas mahabang buhay ng serbisyo sa mga pang -industriya na kapaligiran. Ang mga pangunahing tampok na istruktura nito ay ang mga sumusunod:
Makatuwiran at ligtas na istraktura: na nagtatampok ng isang pinagsamang disenyo ng ulo ng tinidor, ang pang-industriya na unibersal na magkasanib na pagsasama ay binabawasan ang panganib ng pag-loosening o pagbasag ng bolt, pagtaas ng lakas ng istruktura ng 30%-50%. Tinitiyak ng disenyo na ito ang ligtas at maaasahang operasyon, nagpapalawak ng buhay ng serbisyo kumpara sa mga tradisyunal na modelo, at pinipigilan ang mga karaniwang pagkabigo sa mga senaryo na may mataas na presyon tulad ng mabibigat na makinarya na unibersal na magkasanib na mga sistema ng pagsasama.
Pinahusay na Kapasidad ng Pag-load ng Pag-load: Ang SWC Heavy-Duty Universal Joint Coupling ay partikular na idinisenyo upang magdala ng mabibigat na naglo-load, na ginagawang mahalaga sa mga senaryo na nangangailangan ng mahusay na pamamahala ng pag-load tulad ng pagmimina o makinarya ng konstruksyon.
Mataas na kahusayan sa paghahatid: Sa isang kahusayan ng hanggang sa 98.6%, ang mahusay na unibersal na magkasanib na pagkabit para sa paghahatid ng mataas na kapangyarihan ay makabuluhang binabawasan ang pagkonsumo ng enerhiya at mga kaugnay na gastos, na ginagawa itong unang pagpipilian para sa pag-save ng enerhiya na unibersal na magkasanib na mga solusyon sa pagsasama sa mga high-power na mga sistema ng paghahatid ng industriya.
Ang matatag na operasyon na may mababang ingay: ang mababang-nois na unibersal na magkasanib na pagsasama ay nagpapatakbo ng stably na may mga antas ng ingay na karaniwang nasa pagitan ng 30-40 dB (A), na tinitiyak ang tahimik na pagganap. Ito ay mainam para sa mga ingay na sensitibo sa ingay habang pinapanatili ang mataas na pagiging maaasahan.
Ang Universal Joint Couplings, lalo na ang SWC Cardan Shaft Universal Joint Coupling, ay naging kailangang -kailangan na mga sangkap ng paghahatid sa mga pang -industriya na aplikasyon dahil sa kanilang natitirang pakinabang. Maaari nilang matugunan ang mga pangunahing pangangailangan sa kanilang pagganap sa mga patlang tulad ng mabibigat na makinarya, paggawa ng katumpakan, at paghahatid ng enerhiya. Nasa ibaba ang isang detalyadong pagsusuri ng kanilang mga pangunahing pakinabang:
1. Malakas na paghahatid ng metalikang kuwintas at mahusay na kabayaran sa misalignment
Bilang isang high-torque na unibersal na magkasanib na pagsasama, maaari itong matigil na magpadala ng mga load na may mataas na kapangyarihan. Kahit na sa mga senaryo kung saan madalas na nangyayari ang misalignment ng shaft sa panahon ng pag-ikot ng mga operasyon ng mill-tulad ng axial offset na dulot ng mga pagbabago sa roller at temperatura sa panahon ng pag-ikot ng bakal-ang maaasahang mabibigat na duty na unibersal na magkasanib na pagsasama para sa mga operasyon ng pag-ikot ng mill ay maaaring hawakan ito nang madali. Maaari itong sabay na magbayad para sa angular, axial, at radial misalignment, na may isang maximum na angular misalignment ng hanggang sa 25 degree. Ang napakahusay na kakayahang umangkop sa misalignment ay pumipigil sa mga jam ng paghahatid na dulot ng maling pag -aalsa, tinitiyak ang tuluy -tuloy at matatag na paghahatid ng kuryente, makabuluhang binabawasan ang posibilidad ng mga mekanikal na pagkabigo sa ilalim ng matinding mga kondisyon sa pagtatrabaho, at ginagarantiyahan ang patuloy na operasyon ng mga linya ng produksyon.
2. Mataas na tibay at mas mahabang buhay ng serbisyo
Ang disenyo at materyal na pagpili ng SWC Universal Joint Couplings ay nakasentro sa "paglaban sa mabibigat na naglo -load at may matitirang malupit na kapaligiran". Ang pangunahing katawan ay gawa sa mataas na lakas na haluang metal na bakal, na sinamahan ng isang pinagsamang istraktura ng ulo ng tinidor, na panimula ay binabawasan ang mga karaniwang puntos ng pagkabigo tulad ng pag-loosening ng bolt at pagbasag ng sangkap. Ang pagkuha ng matibay na SWC universal joint shaft coupling na ginamit sa pag -angat at materyal na paghawak ng kagamitan bilang isang halimbawa, maaari itong makatiis sa agarang epekto ng pag -load kapag ang pag -angat ng mga mabibigat na bagay at mapanatili ang matatag na pagganap sa mga malupit na kapaligiran tulad ng alikabok at mataas na temperatura. Kung ikukumpara sa tradisyunal na mga pagkabit ng split-istraktura, ang pang-industriya na unibersal na magkasanib na pagsasama ay may pangkalahatang lakas na nadagdagan ng 30%-50%, na hindi lamang binabawasan ang dalas ng pang-araw-araw na pagpapanatili ngunit pinalawak din ang buhay ng serbisyo sa pamamagitan ng 2-3 taon. Ito ay partikular na angkop para sa pangmatagalang operasyon ng high-load na pangangailangan ng mabibigat na makinarya unibersal na magkasanib na mga sistema ng pagkabit.
3. Mataas na kahusayan sa paghahatid at makabuluhang epekto ng pag-save ng enerhiya
Ipinakita ng mga pagsubok na ang kahusayan ng paghahatid ng SWC heavy-duty universal joint coupling ay kasing taas ng 98.6%, na may halatang pakinabang sa mga senaryo ng paghahatid ng mataas na lakas na pang-industriya-tulad ng mga tagahanga ng pugon sa mga halaman ng bakal at mga sistema ng karbon na nagbibigay ng mga halaman. Para sa mga kagamitan na nangangailangan ng patuloy na paghahatid ng mataas na kapangyarihan, na tumutugma sa mahusay na unibersal na magkasanib na pagsasama para sa malaking paghahatid ng kuryente ay maaaring mabawasan ang pagkawala ng kuryente. Para sa mga negosyo na hinahabol ang pag-save ng enerhiya sa unibersal na magkasanib na mga solusyon sa pagkabit, ang mataas na kahusayan na ito ay maaaring direktang ma-convert sa mga pakinabang sa gastos: ang pagkuha ng isang 1500kW na pang-industriya na motor bilang isang halimbawa, maaari itong makatipid ng higit sa 12,000 yuan sa mga gastos sa kuryente bawat taon, at makakatulong sa mga negosyo na mabawasan ang malaking gastos sa pagpapatakbo sa pangmatagalang paggamit, habang sumunod sa mga enerhiya na nagliligtas at pagkonsumo-pagbawas ng mga kalakaran sa patlang na pang-industriya.
4. Matatag at tahimik na operasyon, na angkop para sa maraming mga sitwasyon
Sa pamamagitan ng pag-optimize ng katumpakan ng akma ng tindig at paggamit ng pampadulas na grasa na may isang mababang koepisyent ng alitan, ang ingay ng operating ng mababang-ingay na unibersal na magkasanib na pagsasama ay mahigpit na kinokontrol sa 30-40 dB (A), na katumbas ng nakapaligid na antas ng ingay ng isang pang-araw-araw na opisina at ganap na sumusunod sa mga pamantayan ng paglabas ng ingay ng mga pang-industriya na site. Sa mga senaryo na sensitibo sa ingay-tulad ng mga linya ng produksiyon sa mga halaman sa pagproseso ng pagkain at paghahatid ng kagamitan para sa mga elektronikong sangkap-hindi lamang ito matiyak na ang katatagan at pagiging maaasahan ng sistema ng paghahatid ngunit maiwasan din ang nakakaapekto sa kapaligiran ng pagawaan o karanasan sa pagpapatakbo ng empleyado dahil sa ingay. Kasabay nito, ang matatag na mga katangian ng paghahatid ay maaari ring mabawasan ang pagsusuot ng mga nakapalibot na sangkap na dulot ng panginginig ng boses ng kagamitan, karagdagang pagpapabuti ng katatagan ng operating at buhay ng serbisyo ng buong sistema ng produksyon.
Ang SWC-DH Maikling Flex Welding Type Universal Coupling, na madalas na tinutukoy bilang SWC Cardan Shaft Universal Joint Coupling, ay pangunahing ginagamit sa mabibigat na mga senaryo ng makinarya tulad ng mga rolling mill at hoists. Ang ganitong uri ng kagamitan ay may napakataas na mga kinakailangan para sa istruktura at kakayahang umangkop - sa pamamagitan lamang ng pagtugon sa dalawang puntos na ito ay maaaring makamit ang mahusay na operasyon, at ang pagsasama na ito ay perpektong nakakatugon sa mga naturang pangangailangan. Bilang isang high-torque na unibersal na magkasanib na pagsasama, maaari itong epektibong ikonekta ang dalawang mga shaft ng paghahatid na may mga axes na hindi coincident, tinitiyak ang walang putol na paghahatid ng kapangyarihan kahit na sa malupit na pang-industriya na kapaligiran na nangangailangan ng tumpak na kabayaran para sa maling pag-aalsa ng sistema ng baras.
Sa mga praktikal na aplikasyon, kung ang isang maaasahang mabibigat na unibersal na magkasanib na pagsasama para sa mga operasyon ng pag-ikot ng mill ay kinakailangan sa panahon ng pag-ikot ng gawaing mill, o isang matibay na SWC universal joint shaft coupling ay kinakailangan sa pag-angat at kagamitan sa paghawak ng materyal, ang produktong ito ay maaaring magsagawa ng mahusay-maaari itong mapanatili ang matatag na operasyon ng kagamitan kahit sa ilalim ng matinding pag-load. Ang bentahe ng kakayahang umangkop ay partikular na kilalang sa mga layout ng compact na kagamitan kung saan ang puwang ay limitado at kinakailangan ang isang maikling nababaluktot na disenyo ng istraktura.
Ang SWC-DH Industrial Universal Joint Coupling na ito ay itinayo gamit ang advanced na teknolohiya sa engineering at na-optimize para sa pagganap at buhay ng serbisyo partikular para sa mga pang-industriya na senaryo. Ang pangunahing tampok na istruktura nito ay namamalagi sa makatuwiran at ligtas na disenyo: ang pinagsamang istraktura ng ulo ng tinidor na panimula ay nag-aalis ng mga nakatagong panganib ng pag-loosening o pagbasag ng bolt, na pinatataas ang pangkalahatang lakas ng 30%-50%. Ang disenyo na ito ay hindi lamang tinitiyak ang kaligtasan at pagiging maaasahan ng operasyon ngunit pinalawak din ang buhay ng serbisyo kumpara sa mga tradisyunal na modelo, habang iniiwasan ang mga karaniwang problema sa pagkabigo sa mga senaryo ng aplikasyon ng high-stress tulad ng mabibigat na makinarya unibersal na magkasanib na mga sistema ng pagkabit.
Bilang karagdagan, ang kapasidad ng pag-load nito ay pinahusay sa pamamagitan ng disenyo upang mapaglabanan ang mas malaking timbang, kaya ang SWC na ito na mabibigat na unibersal na magkasanib na pagsasama ay angkop para sa mga senaryo na may mahigpit na mga kinakailangan sa kapasidad na nagdadala ng pag-load, tulad ng makinarya ng pagmimina at kagamitan sa konstruksyon. Sa mga tuntunin ng kahusayan sa paghahatid, umabot ito ng hanggang sa 98.6%. Bilang isang mahusay na unibersal na magkasanib na pagkabit para sa malaking paghahatid ng kuryente, maaari itong makabuluhang bawasan ang pagkonsumo ng enerhiya at mga gastos sa kuryente, na ginagawa itong isang ginustong produkto para sa pag-save ng enerhiya na unibersal na magkasanib na mga solusyon sa pagsasama sa larangan ng paghahatid ng pang-industriya na may mataas na kapangyarihan.
Sa wakas, ang pagkabit na ito ay nagtatampok ng matatag na paghahatid, na may ingay sa operating na karaniwang kinokontrol sa 30-40 dB (A), na ginagawa itong isang mababang-noing universal joint pagkabit. Ang katangian na ito ay nagbibigay-daan upang gumana nang tahimik kahit na sa mga senaryo na sensitibo sa ingay habang pinapanatili ang mataas na pagiging maaasahan sa lahat ng oras.
⭐⭐⭐⭐⭐ Wang Lei, Project Engineer, Guangdong Heavy Machinery Co, Ltd.
Gumagamit kami ng SWC-DH ng maikling flex welding ng Raydafon ng Universal Coupling sa aming mabibigat na makinarya sa ngayon, at ito ay isang kaaya-aya na sorpresa-lalo na pagdating sa pag-akma sa mga masikip na lugar. Ang aming kagamitan ay medyo limitadong puwang para sa mga bahagi ng paghahatid, ngunit ang compact na disenyo ng pagkabit na ito ay umaangkop tulad ng isang guwantes, hindi na kailangang muling ayusin ang iba pang mga sangkap upang gawin itong gumana.
Ano ang mas mahusay na hindi ito isakripisyo ang pagganap para sa laki. Naghahatid pa rin ito ng malakas, matatag na paghahatid ng metalikang kuwintas-kritikal para sa aming mga mabibigat na operasyon. Patuloy kaming pinapatakbo ng mga linggo, at mayroong zero abnormal na panginginig ng boses; Ang buong sistema ay mananatiling maayos. Ang kalidad ng hinang ay isa pang highlight din-masasabi mo na matatag ito sa pamamagitan lamang ng pagtingin dito, na nagbibigay sa amin ng kabuuang kumpiyansa na hahawak ito sa pangmatagalang mabibigat na paggamit. Para sa isang pagkabit na nagbabalanse ng disenyo ng pag-save ng espasyo at pagiging maaasahan, ito ay isang nagwagi.
⭐⭐⭐⭐⭐ Zhao Ming, manager ng pagkuha, Tianjin Steel Equipment Co, Ltd.
Kamakailan lamang ay inutusan namin ang ilang mga pagkabit ng SWC-DH mula sa Raydafon, at dapat kong sabihin, ang buong proseso ng pagkuha ay isang simoy-walang sakit ng ulo, walang pagkaantala. Mula sa sandaling ipinadala namin sa pagkakasunud -sunod, ang kanilang koponan ay tumutugon, at ang paghahatid ay lumitaw mismo sa nakatakdang petsa, na kung saan ay isang malaking plus para sa pagpapanatiling track ng aming produksyon. Ang packaging ay top-notch din: ang bawat pagkabit ay ligtas na nakabalot, walang dents o pinsala sa panahon ng pagpapadala-handa na lamang na i-unbox at mai-install.
Ang aming teknikal na koponan ay hawakan ang pag -setup, at nabanggit nila kaagad kung gaano kadali ang pag -mount. Walang mga kumplikadong hakbang, hindi na kailangang manghuli ng mga espesyal na tool - mabilis silang nakuha, at ito ay tumatakbo nang maaasahan mula pa noon. Kapag nag -factor ka sa makatuwirang presyo na ipinares sa pare -pareho na pagganap na ito, malinaw na ang pagkabit na ito ay nag -aalok ng malaking halaga. Pinaplano na namin na panatilihin ito sa aming regular na listahan ng pagkuha; Ito ang uri ng produkto na ginagawang mas madali ang aking trabaho bilang isang mamimili.
⭐⭐⭐⭐⭐ Liu Hong, Maintenance Director, Shandong Industrial Group
Bilang isang tao na nangangasiwa ng pagpapanatili ng kagamitan, ang aking pinakamalaking priyoridad ay ang pagputol sa downtime at pagbabawas ng oras na ginugol ng aking koponan sa mga bahagi ng paghahatid. Ang SWC-DH ng Raydafon ng SWC-DH ay mga tseke ng parehong mga kahon na perpekto. Ginagamit namin ito sa mga kagamitan na tumatakbo sa ilalim ng mabibigat na mga workload araw -araw, at hindi ito dumulas o nagbabago - matatag na matatag sa lugar, walang maluwag na koneksyon. Kahit na matapos ang mga buwan na paggamit, halos walang anumang tanda ng pagsusuot, na kung saan ay isang malaking kaibahan sa iba pang mga pagkabit na ginamit namin dati.
Sa mga matatandang pagkabit, palagi kaming nag -i -iskedyul ng mabilis na pag -aayos o mga kapalit na bahagi, na kumakain sa oras ng paggawa at idinagdag sa mga gastos. Ang isang ito? Bahagya nating hawakan ito - walang madalas na paglilingkod, walang inaasahang mga breakdown. Nai -save ito sa amin ng maraming oras at pera sa pagpapanatili, at patuloy lamang itong ginagawa ang trabaho nito. Sa mga araw na ito, ito ay naging isang go-to component sa aming pang-araw-araw na operasyon; Hindi ko kailangang mag -alala tungkol sa hindi pagtupad, na nagpapahintulot sa akin na tumuon sa iba pang mga priyoridad. Ito mismo ang uri ng maaasahang bahagi na kailangan ng koponan ng pagpapanatili.
Address
Luotuo Industrial Area, Zhenhai District, Ningbo City, China
Tel


+86-574-87168065


Luotuo Industrial Area, Zhenhai District, Ningbo City, China
Copyright © Raydafon Technology Group Co, limitado ang lahat ng mga karapatan na nakalaan.
Links | Sitemap | RSS | XML | Patakaran sa Privacy |
