QR Code
Tungkol sa amin
Mga produkto
Makipag-ugnayan sa amin

Telepono

Fax
+86-574-87168065

E-mail

Address
Luotuo Industrial Area, Zhenhai District, Ningbo City, China
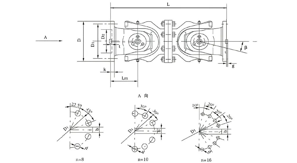
Ang SWC-WD ng Raydafon na walang flex flange type Universal Coupling ay binuo upang ilipat ang metalikang kuwintas nang mahusay sa mabibigat na makinarya-Think Steel Rolling Mills, Cranes, Lifting Equipment, lahat ng mabibigat na gear na iyon. Nakakuha ito ng isang compact, non-teleskopiko na disenyo ng flange, na may mga gyration diameters na mula sa 180mm hanggang 1320mm. Ang maikling flange universal coupling na ito ay maaaring hawakan ang mga anggular na misalignment hanggang sa 15 degree at metalikang kuwintas na kasing taas ng 16000 kN · m, kaya kahit na sa mga masikip na puwang kung saan walang gaanong silid, pinapanatili nito ang paglilipat ng kapangyarihan nang maaasahan. Ginagawa namin ito mula sa mataas na lakas na 35CRMO na bakal, na may istraktura ng tindig na hindi nangangailangan ng mga bolts-perpekto para sa mga unibersal na pagkabit para sa mabibigat na makinarya at hindi teleskopiko na unibersal na pagkabit para sa mga pang-industriya na aplikasyon. Hindi ito nangangailangan ng maraming pangangalaga at tumatagal magpakailanman, na kung ano mismo ang kailangan mo sa mga mahihirap na pag -setup.
Ang aming pagmamanupaktura sa China ay sumusunod sa mga pamantayan ng ISO 9001, kaya ang SWC-WD Universal Coupling ay humahawak sa malupit na mga kondisyon. Ang cross shaft ay chrome-plated upang labanan ang kaagnasan, pagdaragdag sa katigasan nito. Ang mahigpit, welded flange design ay gumagawa ng pag -install ng isang simoy, lalo na sa metalurhiya at kagamitan sa pagmimina kung saan ang paggalaw ng ehe ay medyo minimal. Maaari naming ipasadya ang laki upang magkasya sa iyong mga pangangailangan, kaya ang matibay na maikling unibersal na pagkabit ay gumagana nang mahusay bilang pasadyang unibersal na mga pagkabit para sa mga sistema ng crane at iba pang mga mabibigat na trabaho. At ang presyo ay mapagkumpitensya din. Ang tumpak na likhang -sining ni Raydafon ay nangangahulugang mas kaunting downtime at mas maaasahang kagamitan - ang isang bagay na pang -industriya na mga operator sa buong mundo ay maaasahan.
| Hindi. | Diameter ng Gyration d mm | Nominal na metalikang kuwintas Tn Kn · m | Axes Anggulo ng Fold β (°) | Pagod na metalikang kuwintas Tf Kn · m | Laki (mm) | Timbang (kg) | |||||||||
| Lmin | D1 (JS11) | D2 (H7) | Lm | n-d | k | t | b (H9) | g | Lmin | Dagdagan 100mm | |||||
| SWC180WD | 180 | 12.5 | 6.3 | ≤25 | 440 | 155 | 105 | 110 | 8-17 | 17 | 5 | - | - | 0.145 | 52 |
| SWC225WD | 225 | 40 | 20 | ≤15 | 480 | 196 | 135 | 120 | 8-17 | 20 | 5 | 32 | 9.0 | 0.355 | 82 |
| SWC250WD | 250 | 63 | 31.5 | 560 | 218 | 150 | 140 | 8-19 | 25 | 6 | 40 | 12.5 | 0.831 | 127 | |
| SWC285WD | 285 | 90 | 45 | 640 | 245 | 170 | 160 | 8-21 | 27 | 7 | 40 | 15.0 | 1.715 | 189 | |
| SWC315WD | 315 | 125 | 63 | 720 | 280 | 185 | 180 | 10-23 | 32 | 8 | 40 | 15.0 | 2.820 | 270 | |
| SWC350WD | 350 | 180 | 90 | 776 | 310 | 210 | 194 | 10-23 | 35 | 8 | 50 | 16.0 | 4.791 | 370 | |
| SWC390WD | 390 | 250 | 125 | 860 | 345 | 235 | 215 | 10-25 | 40 | 8 | 70 | 18.0 | 8.229 | 524 | |
| SWC440WD | 440 | 355 | 180 | 1040 | 390 | 255 | 260 | 16-28 | 42 | 10 | 80 | 20.0 | 15.320 | 798 | |
| SWC490WD | 490 | 500 | 250 | 1080 | 435 | 275 | 270 | 16-31 | 47 | 12 | 90 | 22.5 | 25.740 | 1055 | |
| SWC550WD | 550 | 710 | 355 | 1220 | 492 | 320 | 305 | 16-31 | 50 | 12 | 100 | 22.5 | 46.780 | 1524 | |
| SWC620WD | 620 | 1000 | 500 | 1360 | 555 | 380 | 340 | 10-38 | 55 | 12 | 100 | 25.0 | 83.760 | 2120 | |
* 1. TF-Under Ang alternation load ang metalikang kuwintas na pinapayagan ayon sa lakas ng pagkapagod.
Ang Raydafon's SWC Universal Joint Coupling - karaniwang tinatawag na SWC Cardan Shaft Universal Joint Coupling - ay hindi lamang bahagi; Ito ay dapat na magkaroon ng mga mabibigat na patlang na pang-industriya, tulad ng mga rolling mills, kagamitan sa pag-hoisting, at lahat ng uri ng matigas na mabibigat na pag-setup ng makinarya. Bilang isang high-torque universal joint coupling, ginagawa nito ang isang matatag na trabaho na nag-uugnay sa dalawang mga shaft ng paghahatid na hindi perpektong nakahanay, tinitiyak na ang kapangyarihan ay maihatid nang maayos kahit na ang mga kondisyon ng pagtatrabaho ay talagang malupit.
Pag -usapan natin ang tungkol sa mga pangunahing specs nito: ang diameter ng gyration ay mula sa φ58 hanggang φ620, ang nominal na metalikang kuwintas ay mula sa 0.15 hanggang 1000 kN · m, at ang anggulo ng axis fold ay hindi hihigit sa 25 °.
Ang pagkabit na ito ay pinakamahusay na gumagana sa mga tiyak na lugar-tulad ng kapag kailangan mo ng isang maaasahang mabibigat na tungkulin na unibersal na magkasanib na pagkabit para sa mga operasyon ng pag-ikot ng mill, o isang matibay na SWC universal joint shaft pagkabit sa pag-angat at kagamitan sa paghawak ng materyal. Sa mga kasong ito, ipinapakita nito ang lakas nito: kahit na sa ilalim ng malaking stress, pinapanatili nito ang mga operasyon na matatag, walang gulo o pagkasira.
Ang SWC Universal Joint Coupling ni Raydafon ay hindi lamang itinapon-ito ay itinayo gamit ang matalino, napapanahon na engineering upang gumana nang mahusay at matagal na sa pang-industriya na paggamit. Maglakad tayo sa kung ano ang nakakagawa ng istraktura nito.
Una, mayroon itong isang makatwirang at ligtas na pagsasaayos: ginamit namin ang isang integrated na disenyo ng ulo ng tinidor para sa pang -industriya na unibersal na magkasanib na pagsasama, na pinuputol ang mga panganib tulad ng mga bolts na maluwag o masira. Ang pag-tweak na iyon lamang ang gumagawa ng 30% -50% na sturdier sa pangkalahatan, kaya ito ay tumatakbo nang ligtas at palagiang. Kung ikukumpara sa mga regular na pagkabit, tumatagal ito nang mas mahaba, at maiiwasan nito ang mga karaniwang problema sa mga high-tension spot-tulad ng mabibigat na makinarya na unibersal na magkasanib na mga sistema ng pagkabit na nakikita mo sa mga mahihirap na trabaho.
Pagkatapos ay mayroong pinahusay na kapasidad na nagdadala ng pag-load: ang SWC na mabibigat na unibersal na magkasanib na pagsasama ay ginawa upang mahawakan ang mga malalaking timbang, kaya dapat itong magkaroon sa mga lugar na nangangailangan ng paghawak ng top-notch na pag-load, tulad ng mga gear ng pagmimina o mga makina ng konstruksyon.
Tumama rin ito ng mataas na kahusayan sa paghahatid - hanggang sa 98.6%. Bilang isang mahusay na unibersal na magkasanib na pagkabit para sa malaking paghahatid ng kuryente, pinapabagsak nito ang paggamit ng enerhiya at ang mga gastos na kasama nito. Iyon ang dahilan kung bakit ito ay isang nangungunang pagpili para sa pag-save ng enerhiya ng unibersal na magkasanib na mga solusyon sa pagsasama sa mga pag-setup ng high-power na paghahatid ng pang-industriya.
At ito ay tumatakbo nang maayos na may mababang ingay: ang paghahatid ay mananatiling matatag, at ang ingay ay karaniwang nag-hover sa pagitan ng 30-40 dB (A). Ang mababang-ingay na unibersal na magkasanib na pagsasama ay nagpapanatili ng tahimik na operasyon, na perpekto para sa mga pang-industriya na lugar kung saan ang ingay ay isang problema-lahat habang pinapanatili ang pagiging maaasahan sa isang mataas na antas.
⭐⭐⭐⭐⭐ Zhang Wei, Chief Engineer, Henan Mining Equipment Co, Ltd.
Inilalagay namin ang SWC-WD ng Raydafon nang walang flex flange type na unibersal na pagkabit sa aming makinarya ng pagmimina, at naging perpekto ito. Ang compact na disenyo nito ay kung ano ang kailangan natin para sa masikip na mga puwang kung saan walang gaanong silid na mag -ekstrang, at ang build ay sapat na matigas upang mapanatiling matatag ang mga operasyon. Kahit na nagpapatakbo ito ng nonstop sa ilalim ng mga kondisyon ng mabibigat na tungkulin, ang pagkabit na ito ay hindi kailanman nagpapahintulot sa amin-walang mga pagkabigo. Gustung -gusto ng aming koponan sa pagpapanatili na halos hindi ito kailangang mag -check in, na nangangahulugang maaari nating panatilihing maayos ang paglipat ng produksyon nang walang labis na abala.
⭐⭐⭐⭐⭐ Michael Brown, Operations Manager, Texas Steel Works, USA
Inutusan ng aming workshop sa Texas ang maikling SWC-WD nang walang flex flange type na unibersal na pagkabit mula sa Raydafon, at matapat, ang kalidad ay sumabog sa amin. Ang mga pagkabit ay machined talagang maayos, ang pag -install ng mga ito ay isang cinch, at hawak nila ang maaasahan kahit na sa ilalim ng pag -load. Ano ang pinaka -natigil sa akin? Kung gaano kahusay na binabalanse ang presyo at pagganap - hindi mo madalas mahahanap ang matamis na lugar na iyon. Ang paghahanap ng isang tagapagtustos na patuloy na naghahatid ng antas ng kalidad na ito ay hindi madali, ngunit ganap na napatunayan ni Raydafon na sila ay isang mapagkakatiwalaang kasosyo para sa amin.
⭐⭐⭐⭐⭐ Anna Müller, Maintenance Supervisor, Berlin Industrial Solutions, Germany
Inilalagay namin ang SWC-WD ng Raydafon nang walang flex flange type universal pagkabit sa aming linya ng kagamitan sa Berlin, at naging mahusay ang mga resulta. Ang produkto mismo ay nakakaramdam ng rock-solid, ang welding ay tumpak-walang makinis na trabaho dito-at hanggang ngayon, maayos na ito, na nagpapakita ng top-notch tibay. Kung ikukumpara sa ilang iba pang mga tatak na ginamit namin dito sa Europa, ang pagkabit na ito ay mas maaasahan, at ang presyo ay paraan na mas mapagkumpitensya din. Kung ang ibang mga kumpanya ay naghahanap ng maaasahang unibersal na mga pagkabit, talagang inirerekumenda ko si Raydafon.
Ang SWC-WD ng Raydafon na walang flex flange type universal pagkabit-madalas na tinatawag na SWC Cardan shaft universal joint coupling-ay itinayo para sa masikip na pang-industriya na lugar, kung saan ang puwang ay limitado at kailangan mo ng isang nakapirming haba na disenyo (walang extension ng teleskopiko). Bilang isang high-torque na unibersal na magkasanib na pagsasama, gumagalaw ito ng metalikang kuwintas sa pagitan ng mga shaft na hindi nakahanay, paghawak ng mga anggular na paglihis hanggang sa 25 degree, at nananatili itong maaasahan kahit na sa mga mabibigat na kapaligiran.
Pag-usapan natin ang mga pangunahing tampok nito: mayroon itong compact at mahigpit na istraktura-ang maikli, hindi nababaluktot na pag-setup ng flange ay ginagawang isang maaasahang mabibigat na unibersal na pinagsamang pagsasama para sa mga operasyon ng pag-ikot ng mill, na nagbibigay ng labis na katatagan sa mga pag-setup kung saan ang paggalaw ng ehe ay minimal. Iyon ang dahilan kung bakit ito gumagana nang maayos para sa mga nakapirming distansya na koneksyon sa matigas na makinarya. Pagkatapos ay mayroong mataas na kapasidad na nagdadala ng pag-load: Gumagamit kami ng mga mahihirap na materyales tulad ng cast iron o haluang metal na bakal upang gawin ito, kaya ito ay isang matibay na SWC universal joint shaft pagkabit sa pag-angat at kagamitan sa paghawak ng materyal. Ito ay may hawak na malaking timbang at nagpapadala ng mas maraming metalikang kuwintas kaysa sa iba pang mga pagkabit ng parehong diameter, na ginagawang perpekto para sa mabibigat na naglo -load sa pagmimina o gear sa konstruksyon.
Ang pang -industriya na unibersal na magkasanib na pagkabit na ito ay nagbabayad din para sa maling pag -aalsa - kung ito ay anggular, kahanay, o axial misalignment, hindi ito gulo sa bilis ng pag -ikot o paglipat ng metalikang kuwintas. Nangangahulugan ito ng makinis na operasyon sa mabibigat na makinarya unibersal na magkasanib na mga sistema ng pagkabit. At ito ay mahusay sa paghahatid ng kuryente: ang pagpindot ng hanggang sa 98.6% na kahusayan, ang SWC na ito na mabibigat na unibersal na magkasanib na pagsasama ay nagpapanatiling mababa ang pagkawala ng enerhiya, na ginagawa itong isang mahusay na unibersal na magkasanib na pagsasama para sa malaking paghahatid ng kuryente sa mga high-power na pang-industriya na pag-setup.
Dagdag pa, dinisenyo ito upang makatipid ng enerhiya at tumahimik-kung kailangan mo ng pag-save ng enerhiya na unibersal na magkasanib na mga solusyon sa pagkabit, ito ay isang nangungunang pagpili, pagputol ng mga gastos sa pagpapatakbo. At pinapanatili nito ang ingay sa pagitan ng 30-40 dB (a), kaya ang mababang-noit na unibersal na magkasanib na pagkabit ay umaangkop mismo sa mga pang-industriya na lugar kung saan ang ingay ay isang pag-aalala.
Ang pagkabit na ito ay talagang nagniningning sa mga tiyak na mga sitwasyon-tulad ng kailangan mo ng isang maaasahang mabibigat na unibersal na magkasanib na pagsasama para sa mga operasyon ng pag-ikot ng mill, o isang matibay na SWC universal joint shaft pagkabit sa pag-angat at kagamitan sa paghawak ng materyal. Sa mga kasong ito, kahit na may matinding naglo -load at limitadong espasyo, pinapanatili nitong matatag ang operasyon, walang mga hiccups.
Pagdating sa pang-industriya na unibersal na magkasanib na mga aplikasyon ng pagsasama, ang aming variant ng SWC-WD ay nakatayo sa matalinong engineering na ginagawang mas mahusay at mas mahaba. Pag-usapan natin ang tungkol sa pangunahing istraktura nito: mayroon itong isang makatwirang, ligtas na pag-setup na may isang pinagsamang disenyo ng ulo ng tinidor-ito ay mapupuksa ang mga problema tulad ng mga bolts na maluwag o masira, na pinalakas ang pangkalahatang lakas ng 30%-50%. Nangangahulugan ito na ito ay tumatakbo nang ligtas at maaasahan, tumatagal ng mas mahaba kaysa sa mga modelo ng old-style, at iniiwasan ang mga karaniwang breakdown sa mga lugar na may mataas na stress, tulad ng mabibigat na makinarya na unibersal na magkasanib na mga sistema ng pagkabit.
Dagdag pa, maaari itong hawakan ang paraan ng higit pang pag-load-itinayo namin ito upang suportahan ang mas mabibigat na timbang, kaya ang SWC na ito na mabibigat na unibersal na magkasanib na pagsasama ay perpekto para sa mga lugar na nangangailangan ng matigas na paghawak ng pag-load, tulad ng pagmimina o kagamitan sa konstruksyon. Gumagalaw din ito ng kapangyarihan na napakahusay, na pumipigil sa hanggang sa 98.6% na kahusayan sa paghahatid. Bilang isang mahusay na unibersal na magkasanib na pagsasama para sa malaking paghahatid ng kuryente, pinuputol nito ang paggamit ng enerhiya at ang mga gastos na kasama nito, na ginagawa itong isang nangungunang pagpili para sa pag-save ng enerhiya na unibersal na magkasanib na mga solusyon sa pagsasama sa mga high-power na pag-setup ng paghahatid.
At ito ay tumatakbo nang maayos na walang anumang ingay-ang transmission ay mananatiling matatag, at ang ingay ay karaniwang nananatili sa pagitan ng 30-40 dB (A). Ang mababang-ingay na unibersal na magkasanib na pagsasama ay nagpapanatili ng tahimik na operasyon, na perpekto para sa mga pang-industriya na lugar kung saan ang ingay ay isang problema, habang pinapanatili ang pagiging maaasahan sa isang mataas na antas.
Ang Raydafon ay hindi lamang isa pang pangalan sa mga bahagi ng paghahatid-ang nangungunang tagagawa at tagapagtustos ng mga sangkap na paghahatid ng mataas na pagganap at mga solusyon sa pang-industriya na makinarya, at nakakuha kami ng isang matalim na pagtuon sa mga produkto tulad ng SWC Cardan Shaft Universal Joint Coupling. Nagsimula kami upang mapanatili ang kailangan ng mga pandaigdigang industriya habang sila ay nagbabago, at sa paglipas ng panahon, nagtayo kami ng isang buong lineup: mga gearbox, drive shafts, hydraulic cylinders, pulley, mga tool ng precision machine-lahat ay ginawa upang mapalakas kung gaano kahusay ang mga sektor ng agrikultura at mabibigat na tungkulin. Kami ay malaki sa pagbabago, na ang dahilan kung bakit maaari nating maihatid ang maaasahang mabibigat na unibersal na magkasanib na pagsasama para sa mga operasyon ng pag-ikot ng mill na akma sa kahit na ang mga pinaka-kumplikadong mga sistema nang walang sagabal.
Ang aming mga pasilidad ay top-notch din-mayroon kaming mga workshop sa CNC, paggiling at gear sa paggamot ng init, at mga advanced na sistema ng pagsukat ng 3D. Dumikit kami sa mahigpit na mga pamantayan sa kalidad tulad ng ISO9001/TS16949, at ang pag-setup na iyon ay nagbibigay-daan sa amin na gumawa ng high-torque universal joint coupling solution na gumagalaw ng metalikang kuwintas at hawakan ang misalignment tulad ng isang pro. Kunin ang aming matibay na SWC Universal Joint Shaft Coupling sa pag-angat at kagamitan sa paghawak ng materyal, halimbawa-ito ay itinayo para sa mga lugar na nangangailangan ng matigas na kapangyarihan ng pag-load. At ang ating pang -industriya na unibersal na magkasanib na linya ng pagkabit? Saklaw nito ang lahat ng mga uri ng paggamit kung saan ang katumpakan at katatagan ay pinaka -mahalaga.
Walong porsyento ng kung ano ang gagawin namin ay nai -export - ipinanganak sa mga lugar tulad ng US, Germany, Japan, Italy, Malaysia, Australia, at Gitnang Silangan. Mayroon kaming mga malakas na network sa China, South Korea, UK, Singapore, US, at Spain, kaya matatag kami sa buong mundo. Ang pag-abot na iyon ay nagbibigay-daan sa amin na mag-alok ng mga pasadyang mga pagpipilian sa unibersal na pinagsamang pagsasama ng SWC na unibersal na mga pagpipilian sa pagsasama-na nakalagay nang eksakto sa kung ano ang kailangan ng mga kliyente, tulad ng sa mabibigat na makinarya unibersal na magkasanib na mga sistema ng pagkabit kung saan ang pananatiling matatag sa ilalim ng matinding naglo-load ay hindi napagkasunduan.
Nag -aalaga kami tungkol sa pagpapanatili at paggawa ng mga solusyon na unahin ang mga customer. Iyon ang dahilan kung bakit nagkakaroon kami ng pag-save ng enerhiya sa unibersal na magkasanib na mga solusyon sa pagsasama na tumama sa 98.6% na kahusayan sa paghahatid-pagputol ng paggamit ng enerhiya sa mga pag-setup ng high-power. Kung kailangan mo ng isang mahusay na unibersal na magkasanib na pagkabit para sa malaking paghahatid ng kuryente o isang mababang-noise universal joint coupling para sa mga pang-industriya na lugar kung saan ang ingay ay isang problema, ang aming mga produkto ay may buong serbisyo pagkatapos ng benta. Iyon ay kung paano tayo naging isang mapagkakatiwalaang kasosyo sa industriya ng paghahatid - hindi lamang namin ibebenta ang mga bahagi, binabalik namin ito.
Address
Luotuo Industrial Area, Zhenhai District, Ningbo City, China
Tel


+86-574-87168065


Luotuo Industrial Area, Zhenhai District, Ningbo City, China
Copyright © Raydafon Technology Group Co, limitado ang lahat ng mga karapatan na nakalaan.
Links | Sitemap | RSS | XML | Patakaran sa Privacy |
