QR Code
Tungkol sa amin
Mga produkto
Makipag-ugnayan sa amin

Telepono

Fax
+86-574-87168065

E-mail

Address
Luotuo Industrial Area, Zhenhai District, Ningbo City, China
Ang pamantayang SWC-BF ng Raydafon ng Flex Flange Type Universal Coupling ay itinayo upang ilipat ang metalikang kuwintas na maaasahan sa mabibigat na makinarya-isipin ang mga gumulong mill, kagamitan sa paggawa ng papel, pang-industriya na drive, lahat ng mga pag-setup na nangangailangan ng matigas na pagganap. Ito ay may isang nababaluktot na disenyo ng flange, na may mga gyration diameters na mula sa 180mm hanggang 620mm, at ang pamantayang flex universal na ito ay humahawak ng angular misalignment hanggang sa 15 degree kasama ang metalikang kuwintas na kasing taas ng 1250 kN · m. Kahit na sa hinihingi na mga kapaligiran sa trabaho, patuloy itong tumatakbo nang matatag, walang mga pagbagsak. Ginagawa namin ito na may mataas na lakas na 35CRMO na bakal at katumpakan na mga bearings ng karayom, kaya perpekto ito bilang unibersal na mga pagkabit para sa pang-industriya na makinarya at flex flange couplings para sa mabibigat na kagamitan-malakas ang kapangyarihan, at halos hindi mo napansin ang anumang panginginig ng boses.
Ang aming pagmamanupaktura sa Tsina ay sumusunod sa mga pamantayan ng ISO 9001, kaya ang SWC-BF Universal Coupling ay tumatagal ng mahaba at lumalaban sa kaagnasan-lahat salamat sa chrome-plated cross shaft. Ang koneksyon ng flange ay ginagawang madali ang pag -install, na kung saan ay isang malaking tulong sa mga patlang tulad ng metalurhiya, pagmimina, at paggawa ng barko - mga lugar kung saan kailangan mo ng katamtamang kakayahang umangkop sa axial. Maaari naming ipasadya ang laki at mga rating ng metalikang kuwintas din, kaya ang matibay na flex na unibersal na pagkabit ay mahusay na gumagana bilang pasadyang unibersal na mga pagkabit para sa mga gumulong mill at iba pang mga pang -industriya na pangangailangan. At ang presyo ay mapagkumpitensya, walang labis na labis. Ang kaalaman ni Raydafon ay nangangahulugang mas gugugol ka ng mas kaunting oras sa pagpapanatili, at ang iyong kagamitan ay mananatiling mas maaasahan-ang isang bagay na mga operator sa buong mundo ay maaasahan.
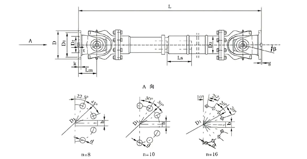
| Hindi. | Diameter ng Gyration d mm | Nominal na metalikang kuwintas Tn Kn · m | Axes Anggulo ng Fold β (°) | Pagod na metalikang kuwintas Tf Kn · m | Dami ng flex Ls mm | Laki (mm) | Umiikot na pagkawalang -galaw kg.m2 | Timbang (kg) | |||||||||||
| Lmin | D1 (JS11) | D2 (H7) | D3 | Lm | n-d | k | t | b (H9) | g | Lmin | Dagdagan 100mm | Lmin | Dagdagan 100mm | ||||||
| SWC180BF | 180 | 12.5 | 6.3 | ≤25 | 100 | 810 | 155 | 105 | 114 | 110 | 8-17 | 17 | 5 | -1.455 | - | 0.27 | 0.0070 | 80 | 2.8 |
| SWC225BF | 225 | 40 | 20 | ≤15 | 140 | 920 | 196 | 135 | 152 | 120 | 8-17 | 20 | 5 | 32 | 9 | 0.79 | 0.0234 | 138 | 4.9 |
| SWC250BF | 250 | 63 | 31.5 | 1035 | 218 | 150 | 168 | 140 | 8-19 | 25 | 6 | 40 | 12.5 | 1.46 | 0.0277 | 196 | 5.3 | ||
| SWC285BF | 285 | 90 | 45 | 1190 | 245 | 170 | 194 | 160 | 8-21 | 27 | 7 | 40 | 15 | 2.87 | 0.0510 | 295 | 6.3 | ||
| SWC315BF | 315 | 125 | 63 | 1315 | 280 | 185 | 219 | 180 | 10-23 | 32 | 8 | 40 | 15 | 5.09 | 0.0795 | 428 | 8.0 | ||
| SWC350BF | 350 | 180 | 90 | 150 | 1410 | 310 | 210 | 267 | 194 | 10-23 | 35 | 8 | 50 | 16 | 9.20 | 0.2219 | 632 | 15.0 | |
| SWC390BF | 390 | 250 | 125 | 170 | 1590 | 345 | 235 | 267 | 215 | 10-25 | 40 | 8 | 70 | 18 | 16.62 | 0.2219 | 817 | 15.0 | |
| SWC440BF | 440 | 355 | 180 | 190 | 1875 | 390 | 255 | 325 | 260 | 16-28 | 42 | 10 | 80 | 20 | 28.24 | 0.4744 | 1290 | 21.7 | |
| SWC490BF | 490 | 500 | 250 | 190 | 1985 | 435 | 275 | 325 | 270 | 16-31 | 47 | 12 | 90 | 22.5 | 46.33 | 0.4744 | 1631 | 21.7 | |
| SWC550BF | 550 | 710 | 355 | 240 | 2300 | 492 | 320 | 426 | 305 | 16-31 | 50 | 12 | 100 | 22.5 | 86.98 | 1.3570 | 2567 | 34.0 | |
| SWC620BF | 620 | 1000 | 500 | 240 | 2500 | 555 | 380 | 426 | 340 | 10-38 | 55 | 12 | 100 | 25 | 147.50 | 1.3570 | 3267 | 34.0 | |
Ang mga unibersal na pagkabit - na tinatawag ding unibersal na magkasanib na mga pagkabit - ay mga mekanikal na bahagi na gumagalaw ng metalikang kuwintas at pag -ikot ng paggalaw sa pagitan ng dalawang shaft na maaaring hindi perpektong linya. Pinangangasiwaan nila ang angular, axial, at radial misalignment, habang pinapanatili ang mahusay na paglipat ng kuryente sa iba't ibang mga pang -industriya na gamit. Sa Raydafon, ang aming SWC Cardan Shaft Universal Joint Coupling Series ay isang pangunahing halimbawa ng top-notch engineering dito, na nag-aalok ng mga high-torque universal joint coupling solution na ginawa lamang para sa mga mabibigat na lugar na tulad ng mga gumulong mill at hoisting machine.
Hatiin natin ang mga pangunahing uri ng unibersal na magkasanib na mga pagkabit:
Una ay ang nag -iisang unibersal na kasukasuan. Mayroon itong isang cross-shaped pivot na nagkokonekta sa dalawang mga yokes, na nagpapahintulot sa mga shaft na may angular misalignment hanggang sa 45 degree. Gumagana ito nang maayos para sa mga pag -setup na may katamtamang mga offset, kahit na maaaring maging sanhi ito ng mga pagbabago sa bilis. Ang maaasahang mabibigat na unibersal na pinagsamang pagsasama ni Raydafon para sa mga operasyon ng pag-ikot ng mill ay madalas na gumagamit ng mga solong magkasanib na disenyo sa mga compact build, kaya't napakalaki kahit na sa ilalim ng mabibigat na naglo-load.
Pagkatapos ay mayroong dobleng unibersal na kasukasuan. Mayroon itong dalawang solong kasukasuan na naka -link nang magkasama, na humahawak ng mas malaking misalignment at pinapanatili ang bilis ng paghahatid na halos pare -pareho - perpekto para sa mga nakakalito na pag -setup ng baras. Kapag kailangan mo ng isang matibay na SWC Universal Joint Shaft Coupling sa pag-angat at kagamitan sa paghawak ng materyal, ang dobleng pinagsamang modelo ng Raydafon ay nagpapalakas ng katatagan at pinutol ang mga panginginig ng boses sa mga high-stress na unibersal na magkasanib na mga sistema ng pagsasama.
Susunod ay ang teleskopiko o mapapalawak na unibersal na pinagsamang. Mayroon itong mga splines o pag -slide ng mga bahagi na hayaan mong ayusin ang haba habang nag -aapoy din para sa maling pag -aalsa, na gumagana para sa mga paggalaw ng ehe sa mga dynamic na pag -setup. Ang SWC Heavy-Duty Universal ng Raydafon ay may kasamang mga pagpipilian sa teleskopiko-kumikilos sila bilang isang mahusay na unibersal na magkasanib na pagkabit para sa malaking paghahatid ng kuryente sa mga lugar tulad ng mga mina o mga site ng konstruksyon, kung saan kailangan mo ng kakayahang umangkop sa haba ng baras.
Mayroon ding mga solid, nababato, o splined hub na mga uri. Ang mga ito ay naiiba sa pamamagitan ng kung paano sila kumonekta: Ang mga solidong hub ay walang mga butas, ang mga nababato na mga hub ay may pag -ikot, hex, o mga pagbubukas ng parisukat, at ang mga splined hub ay may mga grooves para sa isang masikip na akma. Para sa pag-save ng enerhiya sa unibersal na magkasanib na mga solusyon sa pagkabit, nag-aalok ang Raydafon ng mga splined na disenyo sa aming mababang-noise universal joint coupling lineup-na-optimize nila ang paghahatid ng metalikang kuwintas at pinapanatili ang ingay sa 30-40 dB (A) sa mga sensitibong pang-industriya na lugar.
Ang Universal Joint Couplings ng Raydafon, kasama ang serye ng SWC, ay ginawa gamit ang mga pinagsama-samang disenyo ng ulo ng tinidor-hindi mas maraming mga isyu na may kaugnayan sa bolt, na nagpapalakas ng lakas ng 30%-50%at nag-hit ng mga kahusayan sa paghahatid hanggang sa 98.6%. Ang mga tampok na ito ay gumagawa ng aming mga produkto ng isang nangungunang pagpipilian para sa mga propesyonal na nangangailangan ng na-customize, mga solusyon sa mataas na pagganap.
Universal Couplings - Mag -shout ng SWC Cardan shaft ng Raydafon ng unibersal na magkasanib na pagsasama bilang isang pangunahing halimbawa - ang pagdadala ng malaking benepisyo sa mga sistema ng paghahatid ng industriya. Malinaw na inililipat nila ang metalikang kuwintas sa pagitan ng mga shaft na hindi nakahanay, na pinangangasiwaan ang lahat ng mga uri ng mga paglihis, at sila ay kinakailangan para sa pagpapanatiling maayos ang mga operasyon sa mga mahihirap na kapaligiran-tulad ng mga nangangailangan ng mga solusyon sa unibersal na magkakasamang magkasanib na magkasanib na mga solusyon sa pagsasama.
Sumisid sa kanilang pangunahing pakinabang: Una, mahusay sila sa pagbabayad para sa maling pag -aalsa. Ang mga unibersal na pagkabit ay humahawak sa anggular, ehe, at radial misalignment hanggang sa 25 degree, na ginagawang isang maaasahang mabibigat na unibersal na magkasanib na pagsasama para sa mga operasyon ng pag-ikot ng mill. Ginagawa nila ito nang hindi nagdaragdag ng labis na mekanikal na stress o panginginig ng boses, kaya ang iyong makinarya ay mananatiling protektado.
Pagkatapos ay mayroong kanilang matigas na tibay at mahabang buhay ng serbisyo. Nagtatayo kami ng mga pagkabit na ito na may pinagsamang disenyo ng ulo ng tinidor at mga materyal na may mataas na lakas, na bumabawas sa mga panganib tulad ng mga bolts na maluwag o masira-na nagpapalakas ng integridad ng istruktura ng 30%-50%. Iyon ang dahilan kung bakit ang matibay na SWC universal joint shaft pagkabit sa pag -angat at kagamitan sa paghawak ng materyal ay gumagana nang maayos para sa mahabang pag -uunat sa malupit na mga kondisyon; Ito ay nagbabawas ng mga tradisyonal na modelo sa pamamagitan ng isang mahabang pagbaril.
Mayroon din silang top-notch load-bearing at torque na kapasidad. Inhinyero upang hawakan ang mabibigat na timbang at magpadala ng mga nominal na torque mula 0.15 hanggang 1000 kN · m, ang pang -industriya na unibersal na magkasanib na pagsasama ay kumikinang sa mabibigat na makinarya unibersal na magkasanib na mga sistema ng pagkabit. Sa mga pag-setup na ito, ang pare-pareho na pagganap sa ilalim ng matinding naglo-load ay make-or-break, at ang pagkabit na ito ay naghahatid sa bawat oras.
Pagdating sa kahusayan ng paghahatid ng kuryente, mahirap silang talunin. Ang paghagupit ng hanggang sa 98.6% na kahusayan, ang SWC Heavy-duty Universal Joint Coupling ay nagpapanatiling mababa ang pagkawala ng enerhiya. Ginagawa nitong isang mahusay na unibersal na magkasanib na pagsasama para sa malaking paghahatid ng kuryente sa mga high-power na pang-industriya na aplikasyon, at sa paglipas ng panahon, ang kahusayan na iyon ay nagdaragdag ng hanggang sa totoong pagtitipid sa gastos.
Huling ngunit hindi bababa sa, nakakatipid sila ng enerhiya at tumahimik. Tulad ng pag-save ng enerhiya sa unibersal na magkasanib na mga solusyon sa pagkabit, pinutol nila ang paggamit ng kuryente, at nagpapatakbo sila sa 30-40 dB (A). Ang mababang-ingay na unibersal na magkasanib na pagsasama ay perpekto para sa mga pang-industriya na lugar kung saan ang ingay ay isang pag-aalala-nakuha mo ang lahat ng pagiging maaasahan na kailangan mo nang walang malakas na operasyon.
Mga Universal Couplings - Karamihan sa mga tao ay tumatawag sa unibersal na magkasanib na mga pagkabit - na nagtatrabaho sa isang simple ngunit epektibong mekanikal na ideya: inililipat nila ang metalikang kuwintas at pag -ikot ng paggalaw sa pagitan ng dalawang shaft na hindi pumila nang perpekto, paghawak ng anggular, axial, at radial misalignment nang hindi lumaktaw ng isang matalo. Dalhin ang SWC Cardan Shaft Universal Joint Coupling ng Raydafon, halimbawa - ito ay isang mahusay na pagpapakita ng prinsipyong ito. Gumagamit ito ng isang cross-shaped pivot (madalas naming tawagan itong isang spider) upang ikonekta ang mga yokes sa bawat baras, kaya maayos ang paglilipat ng kuryente kahit na sa mga abalang pang-industriya na pag-setup.
Ang puso kung paano ito gumagana ay ang cross pivot: pinapayagan nito ang mga yokes na paikutin nang nakapag -iisa, na bumubuo para sa mga shaft tilts hanggang sa 25 degree habang pinapanatili ang pare -pareho ang paghahatid ng metalikang kuwintas. Ang high-torque universal joint coupling na ito ay nagpapanatili din ng mga pagbabago sa bilis ng pag-ikot sa isang minimum-lalo na kung ito ay isang dobleng pinagsamang disenyo-ito ay perpekto para sa mga trabaho na nangangailangan ng isang maaasahang mabibigat na unibersal na magkasanib na pagsasama para sa mga operasyon ng pag-ikot ng mill. At sa serye ng SWC ni Raydafon, nagdagdag kami ng isang pinagsamang disenyo ng ulo ng tinidor upang gawing mas mahusay ang mekanismong ito: mapupuksa nito ang mga problema tulad ng mga bolts na maluwag, pinalalaki ang lakas ng istruktura ng 30%-50%, at tinutulungan ito na mas mahaba sa mga high-stress spot.
Sinusuportahan din ng prinsipyong ito ang mahusay na kapasidad na nagdadala ng pag-load. Ang pagkabit ay humahawak ng mga nominal na torque mula 0.15 hanggang 1000 kn · m, na may mga gyration diameters sa pagitan ng φ58 at φ620 - kung bakit ang matibay na SWC universal joint shaft pagkabit sa pag -angat at materyal na paghawak ng kagamitan ay tulad ng isang solidong pagpili para sa mga matigas na operasyon. Dagdag pa, ang pang -industriya na unibersal na magkasanib na pagkabit ay tumama hanggang sa 98.6% na kahusayan sa paghahatid, pagputol sa paggamit ng enerhiya sa mabibigat na makinarya unibersal na magkasanib na mga sistema ng pagkabit.
Ang higit pa, ang SWC Heavy-duty Universal Coupling ng Raydafon ay may mga tampok na tumutugma sa pokus ng prinsipyo sa maayos na operasyon: pinapanatili nito ang paghahatid, at ang ingay ay mananatili sa pagitan ng 30-40 dB (a). Ginagawa nitong isang mahusay na unibersal na magkasanib na pagkabit para sa malaking paghahatid ng kuryente, at isang nangungunang pag-save ng enerhiya na unibersal na pinagsamang pagkabit ng solusyon para sa mga high-power na pang-industriya na pag-setup. Lahat sa lahat, ang mababang-ingay na unibersal na magkasanib na pagsasama na ito ay nagpapanatili ng mga bagay na tahimik, kaya mahusay na gumagana ito sa mga lugar kung saan ang ingay ay isang pag-aalala-nang walang pagsasakripisyo ng pagiging maaasahan.
⭐⭐⭐⭐⭐ Li Jun, Senior Engineer, Jiangsu Power Equipment Co, Ltd.
Gumagamit kami ng SWC-BF Standard Flex Flange Type ng Raydafon ng Universal Coupling sa loob ng ilang buwan ngayon, at mahusay ito. Ang pinaka -nakatayo ay ang kakayahang umangkop ng pagkabit na ito - ginawa nitong mas maaasahan ang aming makinarya, lalo na pagdating sa pagbabayad ng maling pag -iisip. Ang pag -install nito ay isang maayos na proseso, walang nakakalito na mga hakbang, at ang kalidad ng weld ay mukhang matatag din - tiyak na nagbibigay sa amin ng kapayapaan ng isip na tatagal ito. Para sa presyo, ito ay isang mahusay na halaga, at kung ikaw ay nasa mabibigat na industriya ng makinarya, talagang inirerekumenda ko ang nababaluktot na flange universal pagkabit.
⭐⭐⭐⭐⭐ John Davis, Mechanical Engineer, Manchester Engineering Ltd., UK
Sa pasilidad ng aming Manchester, pinalitan namin ang isang lumang pagkabit para sa pamantayang SWC-BF standard na Flex flange ng Raydafon, at ang pagkakaiba ay malinaw kaagad. Ang unibersal na pagkabit na ito ay gumagalaw nang maayos at mahusay, kahit na pinapatakbo natin ito sa mga kondisyon na may mataas na stress-hindi ito pinapayagan. Ang kakayahang umangkop na ipinares sa matigas na disenyo nito ay nagpapanatili ng aming makinarya na tumatakbo nang walang isang sagabal. Dagdag pa, nakuha ni Raydafon ang paghahatid sa amin nang mabilis, at ang kanilang serbisyo sa customer ay top-notch-ginawa ang buong karanasan sa pagbili na mas mahusay. Lubhang inirerekumenda ang maaasahang flex flange universal pagkabit!
⭐⭐⭐⭐⭐ Matteo Rossi, Operations Manager, Milan Industrial Solutions, Italy
Kami ay nangangaso para sa isang unibersal na pagkabit na maaaring hawakan nang maayos ang mga maling pag-aalsa, at kung paano namin nahanap ang SWC-BF standard na Flex Flange ng Raydafon. Ilang linggo na naming ginagamit ito, at masasabi kong sigurado na susuriin nito ang lahat ng aming mga kahon. Ang pag -install nito ay madali, walang labis na abala, at kahit na inilalagay natin ito sa mga mapaghamong kondisyon, humahawak ito. Ang kalidad ay natitirang para sa presyo - tiyak na isang matalinong pamumuhunan para sa aming makinarya. Natutuwa ako sa parehong produkto at ibinigay sa amin ng serbisyo na ibinigay sa amin ni Raydafon.
Si Raydafon ay hindi lamang isang tagagawa-ang nangungunang tagapagtustos ng mga top-tier na mga sangkap ng paghahatid at mga solusyon sa pang-industriya na makinarya, at mayroon kaming malalim na kadalubhasaan sa mga produkto tulad ng SWC Cardan Shaft Universal Joint Coupling. Nagsimula kami sa pagbabago at kalidad sa aming core, at sa paglipas ng panahon, pinalaki namin ang aming lineup upang isama ang mga gearbox, drive shafts, hydraulic cylinders, pulley, at advanced na mga tool sa makina-lahat ay binuo upang matugunan ang mga mahihirap na hinihingi ng mga industriya ng agrikultura at mabibigat na tungkulin. Ang aming mga high-torque universal joint coupling solution ay nilikha ng pag-aalaga, tinitiyak na maayos ang paglilipat ng metalikang kuwintas at ang mga maling pag-aalsa ay pinangangasiwaan ng tama-sila ay ganap na dapat na magkaroon ng mga kliyente na nangangailangan ng maaasahang mabibigat na unibersal na pinagsamang pagsasama para sa mga operasyon ng pag-ikot ng mill.
Ang aming mga pasilidad sa paggawa ay state-of-the-art: Mayroon kaming mga workshop sa CNC, paggiling at gear sa paggamot ng init, at mga sistema ng pagsukat ng 3D. Dumikit kami sa mahigpit na pamantayan tulad ng ISO9001/TS16949, kaya ang bawat pang -industriya na unibersal na magkasanib na pagsasama na ginagawa namin ay tumpak at itinayo hanggang sa huli. Dalhin ang aming matibay na SWC Universal Joint Shaft Coupling sa pag-angat at kagamitan sa paghawak ng materyal, halimbawa-na-optimize ito para sa mga lugar na nangangailangan ng malubhang kapangyarihan ng pag-load. At ang aming SWC Heavy-Duty Universal Joint Coupling? Nalulutas nito ang mga problema sa mabibigat na makinarya unibersal na magkasanib na mga sistema ng pagkabit, kung saan ang pananatiling matatag sa ilalim ng matinding kondisyon ay hindi napagkasunduan.
Malaki rin kami sa pandaigdigang pag -abot din - 80% ng aming mga produkto ay nai -export sa mga merkado tulad ng US, Germany, Japan, Italy, Malaysia, Australia, at Gitnang Silangan. Mayroon kaming isang malakas na network sa buong China, South Korea, UK, Singapore, US, at Spain, na nagpapahintulot sa amin na lumikha ng pasadyang mahusay na unibersal na magkasanib na pagsasama para sa mga malalaking pagpipilian sa paghahatid ng kuryente. Ang mga ito ay naaayon sa mga tiyak na pangangailangan, tulad ng aming pag-save ng enerhiya sa unibersal na magkasanib na mga solusyon sa pagkabit na tumama sa 98.6% na kahusayan sa paghahatid-pagputol ng paggamit ng enerhiya sa mga high-power setup.
Ang pagpapanatili at bagay na nakatuon sa pagbabago ng kliyente sa amin. Iyon ang dahilan kung bakit nag-aalok kami ng mababang-ingay na unibersal na magkasanib na mga pagpipilian sa pagkabit na nagpapanatili ng ingay sa pagitan ng 30-40 dB (a) -Pagsasagawa para sa mga pang-industriya na lugar kung saan ang ingay ay isang pag-aalala. At ibabalik namin ang lahat ng buong suporta pagkatapos ng benta. Ang aming pangako sa paggawa ng mga bagay na tama ay ginagawang isang maaasahang kasosyo si Raydafon sa industriya ng paghahatid, na tinutulungan ang mga propesyonal na makuha ang pinakamahusay na pagganap at pagiging maaasahan sa kanilang kagamitan.
Address
Luotuo Industrial Area, Zhenhai District, Ningbo City, China
Tel


+86-574-87168065


Luotuo Industrial Area, Zhenhai District, Ningbo City, China
Copyright © Raydafon Technology Group Co, limitado ang lahat ng mga karapatan na nakalaan.
Links | Sitemap | RSS | XML | Patakaran sa Privacy |
