QR Code
Tungkol sa amin
Mga produkto
Makipag-ugnayan sa amin

Telepono

Fax
+86-574-87168065

E-mail

Address
Luotuo Industrial Area, Zhenhai District, Ningbo City, China
Power "Relay Race": Ang feed mixer gearbox ay tulad ng isang "relay captain" para sa paghahatid ng kuryente. Matapos magsimula ang motor, ang kapangyarihan ay unang nailipat sa input shaft ng gearbox, at pagkatapos ay "bilis ng pagbabago" ay nakamit sa pamamagitan ng pag -agaw ng isang pangkat ng mga gears na may iba't ibang laki sa kahon. Halimbawa, kung ang input shaft ay umiikot ng 1000 beses bawat minuto, ang output shaft ay maaari lamang paikutin ng 100 beses pagkatapos ng paghahatid ng pangkat ng gear, ngunit ang metalikang kuwintas ay lubos na pinahusay. Ang malakas na kapangyarihan na ito ay pagkatapos ay ipinadala sa paghahalo ng baras, na nagpapahintulot sa mga blades ng paghahalo na mabilis na pukawin ang feed, madaling makitungo sa "hard goods" tulad ng high-fiber forage.
Tumpak na meshing, nabawasan ang pagkawala: Ang mga gears sa gearbox ay hindi katugma nang random. Ang mga gears na ginawa ni Raydafon ay may hugis ng ngipin na tiyak na kinakalkula at naproseso, at magkasya nang mahigpit kapag ang pag -meshing, tulad ng dalawang piraso ng isang palaisipan na magkakasamang magkasama. Sa ganitong paraan, napakakaunting alitan sa panahon ng paghahatid ng kuryente, mas kaunting pagkawala ng enerhiya, at ang karamihan sa kapangyarihan ay maaaring magamit para sa paghahalo. Ito ay tulad ng pag-install ng isang "energy-save core" sa feed mixer, na ginagawang mas masigla ang trabaho nang walang pag-aaksaya ng enerhiya.
Flexible Adjustment upang matugunan ang mga pangangailangan: Ang iba't ibang mga feed at iba't ibang mga halaga ng paghahalo ay nangangailangan ng iba't ibang mga bilis. Ang kagandahan ng feed mixer gearbox ay maaari itong maiakma nang may kakayahang umangkop. Sa pamamagitan ng pagbabago ng kumbinasyon ng mga set ng gear, maaaring makamit ang iba't ibang mga ratios ng bilis upang matugunan ang magkakaibang mga pangangailangan. Kung nais mong ihalo ang silage at mabilis na tumutok, dagdagan ang bilis; Kung nais mong hawakan ang marupok na hilaw na materyales, babaan ang bilis at ihalo nang dahan -dahan, at maaaring gawin ng isang gearbox ang lahat.
Matatag na suporta at tibay: Ang katawan ng gearbox ay katumbas ng "tagapag -alaga" ng buong sistema ng paghahatid. Ang mataas na lakas na cast iron material, malakas at shock-resistant, ay maaaring matigil na suportahan ang mga panloob na gears at bearings. Ang mga panloob na bearings ay espesyal na lubricated para sa makinis na pag -ikot at nabawasan ang pagsusuot. Kahit na ang mga panginginig ng boses ay nabuo sa panahon ng paghahalo ng feed, ang gearbox ay maaaring matiyak ang matatag na pakikipag -ugnayan ng mga gears, patuloy na output na matatag na kapangyarihan, at palawakin ang pangkalahatang buhay ng serbisyo.
Ang proseso ng paggawa ng produkto ng Raydafon ay mahigpit na nasubok at maaaring ganap na pagpapatakbo pagkatapos ng aktwal na pag -install. Ang pagpili ng aming mga produkto ay nangangahulugang napili mo ang kapayapaan ng isip.
| Ratio | Input R.P.M. |
Lakas ng pag -input | Output | Modelo | Mga komento | |
| KW | HP | Nm | ||||
| 16.1: 1 | 540 | 44.7 | 60 | 11600 | G1-0314 |
|
| 19.4: 1 | 540 | 26.1 | 35 | 8600 | G1-0514 |
|
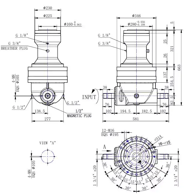
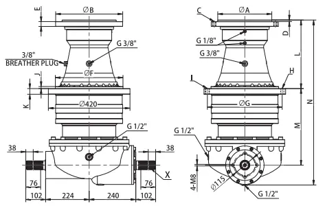
| Bilang | A | B | C | D | E | F | G | H | 1 | J | K | L | M | N | ||||||||||||||||||
| 1 | ⌀200 H7 | ⌀278 | 12-M16 Eqs⌀245 | 15 | 25 | ⌀280 F7 | ⌀380 | 12-M16 |
|
26 | 30 | 353 | 300 | 785 | ||||||||||||||||||
| 2 | ⌀200 H7 | ⌀278 | 12-M16 Eqs⌀245 | 15 | 25 | ⌀280 F7 | ⌀380 | 12-M16 |
|
26 | 30 | 353 | 402.5 | 857.5 | ||||||||||||||||||
| 3 | ⌀278 H8 | ⌀345 | 15-M16 Eqs⌀314 | 8 | 25 | ⌀348 H8 | ⌀385 | 12-⌀17 | 2-M18 | 10.5 | 29 | 351 | 321.5 | 774.5 | ||||||||||||||||||
| 4 | ⌀278 H8 | ⌀345 | 15-M16 Eqs⌀314 | 8 | 25 | ⌀348 H8 | ⌀385 | 12-⌀17 | 2-M18 | 10.5 | 29 | 351 | 394 | 847 | ||||||||||||||||||
| 5 | ⌀154.8 H8 | ⌀250 | 12-M20*1.5 eqs⌀205 | 12 | 39 | ⌀348 H8 | ⌀385 | 12-⌀17 | 2-M18 | 10.5 | 29 | 354.5 | 321.5 | 778 | ||||||||||||||||||
| Ratio | lnput R.P.M. |
Lakas ng pag -input | Output Nm |
Input shaft | Mga komento | |||||||||||||||||||||||||||
| KW | HP | |||||||||||||||||||||||||||||||
| 13.4: 1 | 540 | 85.8 | 115 | 17984 | X |
|
||||||||||||||||||||||||||
| 14.6: 1 | 540 | 70.8 | 95 | 16187 | X |
|
||||||||||||||||||||||||||
| 16.1: 1 | 540 | 63.4 | 85 | 15971 | X |
|
||||||||||||||||||||||||||
| 18.2: 1 | 540 | 44.7 | 60 | 12744 | X |
|
||||||||||||||||||||||||||
| 21.1: 1 | 540 | 37.3 | 50 | 12312 | X |
|
||||||||||||||||||||||||||
| 25.9: 1 | 1000 | 82 | 110 | 17954 | X |
|
||||||||||||||||||||||||||
| 28.3: 1 | 1000 | 67.1 | 90 | 16051 | X |
|
||||||||||||||||||||||||||
Ang bakal na "katawan" ay sobrang matibay: ang gearbox na ito ay gawa sa makapal na mataas na lakas na cast iron, at ang buong kahon ay kasing lakas ng isang tank shell. Kung ito ay ang mahalumigmig na kapaligiran kapag naghahalo ng silage o ang marahas na panginginig ng boses na dulot ng paghawak ng pelletized feed, maaari itong makatiis nang tuluy -tuloy. Ang mga panloob na gears ay carburized at quenched, at ang tigas ng ngipin sa ibabaw ay kasing taas ng HRC58. Ang paglaban sa pagsusuot ay 3 beses na mas malakas kaysa sa mga ordinaryong gears. Patuloy itong ginamit sa loob ng lima o anim na taon sa maalikabok at mabibigat na mga bukid, at ang pagganap ay "online", at ang bilang ng mga pag-aayos ay kakaunti.
Power Transmission "Zero Waste": Ang disenyo ay puno ng talino sa paglikha! Ang katumpakan ng gear meshing ay umabot sa antas ng buhok, at ang kahusayan sa paghahatid ng kuryente ay lumampas sa 95%. Ang iba pang mga gearbox ay maaaring magkaroon ng maraming lakas na "pagdulas" sa panahon ng paghahalo, ngunit ang aming feed mixer gearbox para sa TMR Mixer EP RMG ay maaaring gumamit ng lahat ng kapangyarihan ng motor sa talim. Para sa parehong paghahalo ng 5 tonelada ng feed, ang paggamit ng aming gearbox ay maaaring 15 minuto nang mas mabilis at makatipid ng 20% ng mga singil sa kuryente, na nagse -save ng tunay na pera ng mga magsasaka.
Ang "Universal Adaptability" ay super alala-free: kung ito ay isang simpleng panghalo sa isang maliit na bukid o isang higanteng kagamitan sa isang malaking pabrika ng feed, ang gearbox na ito ay maaaring walang putol na konektado. Ang ratio ng bilis ay maaaring malayang nababagay mula 2: 1 hanggang 15: 1, at magaspang, pag -concentrate ng feed, at halo -halong feed ay maaaring ihalo subalit nais mo. Madali din ang pag -install, at hindi na kailangang gumawa ng mga pangunahing pagbabago sa kagamitan. Ang mga ordinaryong manggagawa ay maaaring magawa ito sa kalahating oras ayon sa mga tagubilin, na lalo na angkop para sa mga magsasaka na nagmamadali. Ang "Intelligent Protection" ay sobrang maalalahanin: ang gearbox ay may built-in na labis na proteksyon na aparato. Kapag ang paghahalo ng pag -load ay masyadong malaki, awtomatiko itong "titigil" upang maiwasan ang pinsala sa mga gears, na hindi lamang pinoprotektahan ang makina ngunit pinipigilan din ang mga aksidente sa kaligtasan. Bukod dito, ang disenyo ng istruktura ay makatwiran. Maaari mong baguhin ang isang tindig o ayusin ang isang gear sa pamamagitan ng pagbubukas ng kahon. Ito ay hindi tulad ng nakakabagabag tulad ng pag -dismantling ng isang "Russian Doll". Ang oras ng downtime at pagpapanatili ay lubos na pinaikling, tinitiyak na ang paggawa ng bukid ay hindi titigil.
Bilang isang customer sa ibang bansa, nais kong sabihin salamat sa Raydafon! Ang iyong feed mixer gearbox ay talagang madaling gamitin. Dahil na -install ito, ang kagamitan ay tumatakbo nang maayos, at ang kahusayan sa pagtatrabaho ay mas mataas kaysa sa dati. Ang gearbox ay gawa sa solid at matibay na mga materyales, at madaling i -install at mapanatili. Nalutas nito ang mga dating problema na mayroon kami sa aming nakaraang kagamitan. Kailangan kong purihin ang serbisyo pagkatapos ng benta sa partikular. Nakatagpo kami ng ilang maliliit na katanungan kapag ginagamit ito, at mabilis mong naisip ito. Ito ay napaka maaasahan. Ang karanasan sa kooperasyon na ito ay talagang mahusay. Inirerekomenda ko ang iyong mga produkto sa aking mga kapantay, at inaasahan kong patuloy na kooperasyon sa hinaharap! ----- James Carter
Hoy, ako si David Johnson, isang customer ng Raydafon. Binili ko ang iyong mga feed mixer gearbox bago, at talagang mahusay na gamitin! Matapos i -install ang gearbox na ito, ang aming feed mixer ay tumatakbo nang mas maayos kaysa sa dati, at ang kahusayan ay napabuti. Dati akong nag -aalala tungkol sa kagamitan sa pag -jam, ngunit ngayon hindi ko na kailangang mag -alala tungkol dito. Ano ang nagpapasaya sa akin na ito ay napaka -matibay, ang materyal ay nakakaramdam ng solid, at hindi nakakagambala na mapanatili ito sa pang -araw -araw na batayan. Masikip lamang ang ilang mga tornilyo at suriin ang antas ng langis, hindi katulad ng nakaraang kagamitan na kailangang ihagis tuwing ilang araw. Huling oras na mayroon akong ilang mga maliliit na katanungan kapag nagpapatakbo dito, nagpadala ako ng isang email sa iyong serbisyo pagkatapos ng benta, at nakatanggap ng tugon sa parehong araw. Ang engineer ay iginuhit din ang isang diagram ng eskematiko upang turuan ako kung paano ito ayusin. Ang serbisyong ito ay mahusay! Upang maging matapat, madalas kong pinag -uusapan ang iyong mga produkto sa aking mga kasamahan kapag magkasama akong kumain. Ang mga magagandang bagay ay dapat makilala sa maraming tao. Inaasahan kong magpatuloy na makipagtulungan sa iyo sa hinaharap, at nais kong maging mas sikat ang iyong negosyo!
Ang pangalan ko ay Michael Brown. Medyo nag -aalangan ako noong una kong binili ang iyong mga feed mixer gearbox, pagkatapos ng lahat, ako ay niloko ng iba pang mga produkto bago, ngunit pagkatapos gamitin ito ng halos kalahating taon, binibigyan ko talaga ito ng isang hinlalaki! Ang ingay ng gearbox na ito ay mas maliit kaysa sa dati. Bago, ito ay tulad ng kulog kapag ito ay naka -on, ngunit ngayon hindi ko na kailangang sumigaw kapag nakikipag -usap sa pagawaan. Ang pinaka nakakagulat na bagay ay ang kahusayan. Ginamit nito ang 40 minuto upang maghalo ng isang batch ng feed, ngunit ngayon maaari itong gawin sa 25 minuto, at ang conveyor belt ay nadagdagan din ang bilis nito. Noong nakaraang linggo, ang ilaw ng tagapagpahiwatig ng gearbox ay nag -flash ng dalawang beses. Naisip ko kung may problema, kaya tinawag ko ang iyong serbisyo pagkatapos ng benta. Ang batang babae na sumagot sa telepono ay matiyaga. Hinayaan niya akong kumuha ng ilang mga larawan at ginagabayan ako upang linisin ang alikabok mula sa sensor sa lugar. Hindi hihigit sa 10 minuto. Ang gearbox ay gawa sa mga solidong materyales. Mabigat ang pakiramdam ng panlabas na shell. Huling oras, ang isang forklift ay hindi sinasadyang hinaplos ito, na nag -iiwan ng isang maliit na marka, ngunit ang mga bahagi sa loob ay hindi apektado. Patuloy akong pinag -uusapan ang iyong mga produkto nang uminom ako kasama ang magsasaka sa tabi ng pintuan. Plano rin niyang mag -order ng isa sa susunod na buwan! Inaasahan kong subukan ang iyong mga bagong accessory sa hinaharap, at nais kong lumakas ka at mas malakas!
Address
Luotuo Industrial Area, Zhenhai District, Ningbo City, China
Tel


+86-574-87168065


Luotuo Industrial Area, Zhenhai District, Ningbo City, China
Copyright © Raydafon Technology Group Co, limitado ang lahat ng mga karapatan na nakalaan.
Links | Sitemap | RSS | XML | Patakaran sa Privacy |
